Hírek:

Fontos tudnivalók a migrációval kapcsolatban, Kérlek nézd meg a Régi fórumról új fórumra való költözés

Kedves Kollégák!

2026.04.18-án szombaton ismét megrendezésre kerül a debreceni Hobby CNC találkozó.
Egy kis nosztalgia, múltidézés, tudás megosztás, és minden ami szokásos volt eddig is a találkozókon.
A változatlanul a korábbi találkozók helyszíne lesz ismét az otthona a rendezvénynek.
Debreceni Képző Központ Nonprofit Kft.
Debrecen Budai Ézsaiás 8/A
 

Main Menu

Elektronika

Indította gaben, 2025 február 03, 18:18

Előző téma - Következő téma

fn47xk7ei

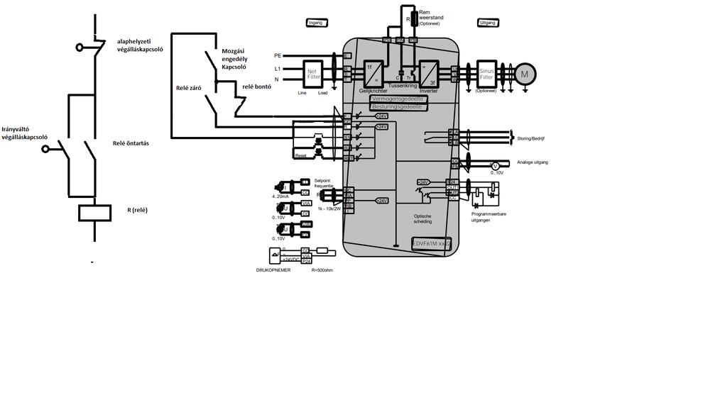
Talán bonyolultabb a dolog mint elsőre gondolná az ember . Bár én nem vagyok egyáltalán szakértője a témának de majd kijavítanak a szakik . Első dolog - nem elég a forgásirányt mágneskapcsolóval megfordítani . Meg kellene várni míg a motor forgása leáll . Második - miért nem a frekvenciaváltón fordítod a forgásirányt mert van rajta lehetőség + időzítő elektronikával (kb 1 sec) az "enable" bemenetet . Ha elindul visszafelé a forgás (mozgás) akkor valahol meg kell állítani és újból forgásirányt váltva alaphelyzetet felvenni  + még egy új indító jel (kapcsoló) is szükséges .[#nemtudom]

designr

Ő is frekvenciaváltóval akarja működtetni,ha jól értem..
És mintha V1000 yaskawa lenne a működtető..bár nem emlékszem pontosan..
Itt egy képe a V1000 digitális bemeneteiről.
Nem csináltam még ilyet,de akkor szerintem a hosszánon pontos pozicióba állitható olyan végálláskapcsolóra van szüksége aminek van nyitó ás záró kotaktusa.
Ezt a frekiváltó digitális bemeneteivel összehozni.
beállitja a frekvenciaváltóban a fel-lefutást..pár tized sec..ezt ki kell gyakorolni.
A menet kifutáshoz beállitja a vágálláskapcsolót.(ugy is szokták hogy a végálláskapcsolót a lakatszekrényre szerelik és az ütköző állitható a hosszánon)
Mikor eléri visszafordul.
természetesen még a hosszán másik oldalán egy inditó kapcsoló kell.
Aki gyakorlatban megcsinálta már adhatna pár praktikus tanácsot..

  

6rk75uezn

Igen freki váltóval.
A pontos tipus:Toyo Denki VF61M 2R222
Itt a Google Drive-on elérhető a váltó dukumentációja.
Váltó

fn47xk7ei

Ok , akkor elsőre félreértettem a helyzetet . Frekvenciaváltót kényelmesebb kapcsolgatni , vezérelni .

designr

Sajnos nem nyilvános a doksi..csak te látod, mert be vagy jelentkezve..

6rk75uezn

Bocsánat,nem tudom nyilvánossá tenni,csak akkor tudja valaki megnézni ha engedélyt kér.
Feltettem Ide

zozo

Google drive-on meg kell osztani, hogy a link birtokában bárki lássa. Azt a linket tedd ide be.

6rk75uezn

Elvileg most jó.
Link birtokában bárki megtekintheti.

zozo

Igen, már müxik.

ANTAL GÁBOR

Pár éve ( amikor még nem volt CNC m ) megcsináltam  Laacikának írtam magánban hogy felhívom , de tegnap du nem vette fel
Nekem a végállás kapcsoló egy mágnesen volt és azt lehetett tologatni  az ágyon .
Minthogy menetvágásnál be vagyunk lakatolva le is megyünk a végálláskapcsolóról ezért nálam volt egy R/S tár is a rendszerben

Gerzson_Bá

Szia laacika!

 Itt van egy a sok megoldás közül.

Üdvözlettel
Gábor

  

Gerzson_Bá

Ez még csak az irányváltást oldja meg.
 Ahhoz hogy egy gép jól működjön sok mindent figyelembe kell venni.
 Pl. Ahol az irányt változtatni akarod van e hely?

 A frekvenciaváltóknál van lefutás, ezért tovább mehet irányváltási parancs után is.

simarex

0,1 sec lefutásnál szerintem elhanyagolható a túl futás

ANTAL GÁBOR

Jó ha van fékchopper és fékellenállás  a frekiváltóban

6rk75uezn

Köszönöm mindenkinek a segitséget,megoldódni látszik a téma.
Antal Gábor neked is köszi a telefonon való segitséget,neked is Gerzson_bá és persze a többieknek is.[#taps][#worship]