Hírek:

Fontos tudnivalók a migrációval kapcsolatban, Kérlek nézd meg a Régi fórumról új fórumra való költözés

Kedves Kollégák!

2026.04.18-án szombaton ismét megrendezésre kerül a debreceni Hobby CNC találkozó.
Egy kis nosztalgia, múltidézés, tudás megosztás, és minden ami szokásos volt eddig is a találkozókon.
A változatlanul a korábbi találkozók helyszíne lesz ismét az otthona a rendezvénynek.
Debreceni Képző Központ Nonprofit Kft.
Debrecen Budai Ézsaiás 8/A
 

Main Menu

Elektronika

Indította gaben, 2025 február 03, 18:18

Előző téma - Következő téma

guliver83

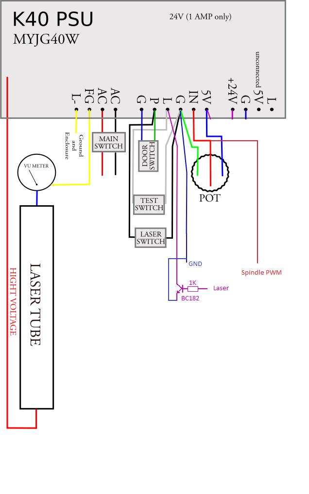
Akkor összehozok valami rajzot, hogy pontosan, hogy is kell majd összekötni az UC és a lézer tápot.
Én úgy szeretném hogy a poti megmaradjon amivel a max értéket be tudom állítani.

dezsoe

A 6N137 nem fér bele 4 lábba, mert 6-ot használ, de azt így tudod bekötni. (Természetesen a P1-nél a 330 ohmos ellenállást ne feledd!) A potis szabályozásról nem tudok nyilatkozni, mert ilyen gépet még csak fényképen láttam, úgyhogy ezt meghagyom az okosabbaknak. :)

  

J-Steel

A kimenet 50mA-t tud. Mit kapcsol pontosan? Megnézhetem a rajzát amire ez kerül?

dezsoe

Itt kezdődik: [#t218p5488#], aztán némi elemzés után off-topic-nak bizonyult és átjöttünk. :)

guliver83

Ez a típusú lézer táp lenne a tranzisztor rajzot, azt most nem kell nézni, de ez is egy megoldás.

  

guliver83


guliver83


J-Steel

Az utolsó két linkelt képet (ami mintha ugyanaz lenne) nem értem, de talán nem is fontos nekem.

A első kép viszont jó lehet a opto csatolóval. Az a kérdés, hogy a potmétert mennyire akarjuk megválasztani?
 Az a gond ugyanis, hogy ha a potméter "csumára fel van tekerve", akkor az opto-leválasztón, amikor nyit, nagyobb áram folyhat, mint amit elbír. A biztonság kedvéért tennék egy ellenállást (150-200 ohm) az 5V és poti közé. Ez egy 4,7K-s pontinál pl. nem okoz nagy változást.

J-Steel

Összekevertem a "Spindle Speed"-del. Azt hittem a Spindle PWM helyére kerül az optocsatoló.

guliver83

Igen az, mert valamiért egyszerre küldte el az oldal, nem tudom, hogy miért!

guliver83

Én csak azért szerettem volna a potit meghagyni, hogy ne tudjam maxon járatni, semmi más oka nincs!

guliver83

Még mindig leválasztó kártya [#nyes]

Közben rájöttem, hogy van olyan beépített leválasztó kártyám is amin minden-ki és bemenet le van választva.
Ilyen! Egész jól teszi a dolgát!

dezsoe

Jobban néz ki! Már csak az a kérdés, hogy az optók elég gyorsak-e rajta. A képen nem láttam a típusát.

guliver83

Megpróbálom leolvasni!
Üzemel az egyik gépemben már egy jó ideje, igaz most nem használom!
Egy LinuxCNC esztergát vezérel .

guliver83