Hírek:

Fontos tudnivalók a migrációval kapcsolatban, Kérlek nézd meg a Régi fórumról új fórumra való költözés

Kedves Kollégák!

2026.04.18-án szombaton ismét megrendezésre kerül a debreceni Hobby CNC találkozó.
Egy kis nosztalgia, múltidézés, tudás megosztás, és minden ami szokásos volt eddig is a találkozókon.
A változatlanul a korábbi találkozók helyszíne lesz ismét az otthona a rendezvénynek.
Debreceni Képző Központ Nonprofit Kft.
Debrecen Budai Ézsaiás 8/A
 

Main Menu

Lézer

Indította gaben, 2025 február 03, 18:31

Előző téma - Következő téma

svejk

Egy kinyitott tranzisztort -jelen esetben opto- nem lehet ellenállásmérővel mérni multiméterrel, értelmetlen is mert maradékfeszültség a jellemzője.

Mekkora előtét ellenállást használtál az opto diódája elé?

jbbawvyw

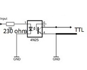
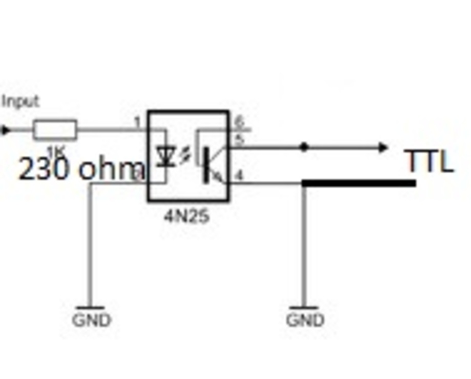
Segítségetekkel tovább léptem. Az öreg opto bemenetére a párhuzamos portról 3,92 V megy 230 ohm soros ellenálláson keresztül. Áramfelvétele 4,8 mA. Így a kimeneti ellenállás 1400ohm. Ezt rákötöttem a laser driver TTL bemenetére, így már kikapcsolja a lézert. Persze ez most fordítva működik, A Mach3-on fordítanom kell még.

  

jbbawvyw

Spindle Dir LowActive és az Output ActiveLow megoldotta, így helyesen működik. Eddig ilyen képek sikerültek, remélem, innen ennél jobbak lesznek.

  

RJancsi

Sziasztok! Eddig a legnagyobb sikerélményem a 2 mm-es rétegelt lemez vágással volt, mert a kis kék lézerem egy menetben is képes átvágni. Azonban a beszerzése elég körülményes, csak modellező boltokban kapni, de ott aranyáron (kb. 1500 HUF egy A4 lap)

Próbálkozott-e már valaki szürke lemezzel ? Mik a tapasztalatok? Ezeket viszonylag jó áron és mindenféle vastagságban kapni. Amire még kíváncsi vagyok, az a habkarton. Ez vajon mi lehet? Valami papírral kasírozott műanyag hab? Vagy teljesen műanyag? Találkozott már valaki ilyennel?

90jv6ys7

Köszi az ötletet. Felvettem vele a kapcsolatot, és kiderült hogy csak 5.5 wattos lézerek összereakásával foglalkozik már csak. Nekem az a teljesítmény (de főleg az ár [#csodalk] ) nagyon sok.
Biztos vagyok benne hogy nagyon jó minőségű terméket ad ki a kezei közül, csak sajnos ez az árkategóra magas nekem.

Megrendeltem az Arduino UNO + Arduino CNC shield szettet.
A lézerből pedig erre  gondoltam. Az értékelései nagyon jók, és megegyezik az EleksMaker replacement  lézerrel (csak a ház színe más) így gondolom hogy hozza is az ígért 2.5 wattot.
Mit gondoltok?

Devecz Miklós


Devecz Miklós

Szürkelemez

"dobozgyártásra és könyvkötészeti célokra használják, zömmel papírhulladék-behordással készítik. A gépi szürkelemez 450-900 g/m2 tömegű. Felülete sima, nagy szakítószilárdságú. Dobozokat, rekeszeket, naptárhátlapot, könyvfedelet, játékokat és tömítéseket gyártanak. Jól hajlíthatóak, hornyolhatóak."

RJancsi

Köszi a válaszokat! Próbáltad már valamelyiket lézerrel vágni? Most a habkarton tűnik ígéretesnek, kérdés, hogyan viselkedik vágás közben (olvad vagy sem, mennyire füstöl, mennyire ártalmas stb.).

Devecz Miklós

Még nem üzemel a lézerem (lassúak a szállítók).

Kelepeisz Lajos

Ajánlom neked ezt az anyagot, nekem nagyon bejött, olcsó, viszonylag merev, és gyorsan lehet szépen vágni még kék lézerrel is. 13310 hozzászólás.

    

RJancsi

Köszi, ez jónak tűnik! Ki fogom próbálni.

PSoft

Csak hogy ne kelljen keresni...:)
[#t169p13310#]

Kelepeisz Lajos


RJancsi

Te egy úr vagy! [#worship]
Már csak olyan boltot kéne találnom, ahol nem kell egy csomagot (5-6 m2-t) megvennem kipróbálásra.

Kelepeisz Lajos

Praktikerben vettem, de nagyon sokféle hasonló paraméterű anyag volt különböző igényekre.[#eljen]