Hírek:

Fontos tudnivalók a migrációval kapcsolatban, Kérlek nézd meg a Régi fórumról új fórumra való költözés

Kedves Kollégák!

2026.04.18-án szombaton ismét megrendezésre kerül a debreceni Hobby CNC találkozó.
Egy kis nosztalgia, múltidézés, tudás megosztás, és minden ami szokásos volt eddig is a találkozókon.
A változatlanul a korábbi találkozók helyszíne lesz ismét az otthona a rendezvénynek.
Debreceni Képző Központ Nonprofit Kft.
Debrecen Budai Ézsaiás 8/A
 

Main Menu

Elektronika

Indította gaben, 2025 február 03, 18:18

Előző téma - Következő téma

ANTAL GÁBOR

Nekünk 2 gépünk van de a nejem is a 20 éves ( szeptemberben lesz! )  Hajdúsági  Energomat ot szereti.A kerekeit Pom-ból O gyűrűvel gumizva már lecseréltem , az ajtónyitás gátlót kiheréltem . ( nem vagyunk gyerekek )
 Teszi a dolgát   ( van tartalék csapágyházam . szimeringem , dobom ,stb   és még egy keveset futott komplett gép is bevethető )

g89ketty

Ha 1085-ös IC-vel vezérelt akkor átalakítható, hogy potméterrel szabályozd a fordulatát. A beállított fordulatot tartja.[#integet2]

Csuhás

Szűrő szivattyú rendben van, erős sugárban nyomja ki a vizet. Egyébként nekem is a programkapcsoló elakadás volt a gyanúm, de eléggé javíthatatlannak tűnik. Mellékesen mértem rá a kondira és amikor láttam hogy a kapacának harmadát elvesztette akkor gyártottam új elméletet. Hozzáteszem hogy az esetek kb felében még most is jól lefut a program. Ez is beleillik a lassan fáradó kondis elméletembe.

VighLajos

Nálunk a whirpool rozsdamentes dobja veszett össze az alumínium tengellyel, ami amolyan féreglyukassá vált.
E miatt kissé szétverte a műanyag üstöt, de az még nem szorult cserére.
Két évvel később ennél is programtárcsa leállás néhányszor, mosógépcsere.

kart emg

Volt egy hasonló misztikus hibája a mosógépemnek (Zanussi): egyre gyakrabban hagyta vizesen a ruhát centrifugálás nélkül. Szétszedtem a szivattyút, semmi gond. Kitisztítottam a mosógép szűrőjét, az se változtatott. Kihívtam a szerelőt, szétszedte-összerakta, hiba átmenetileg megszűnt majd újra. Ekkor szedtem szét azt a dugaszt, ami a falból kiálló lefolyóba megy: na az volt eltömődve.Azóta egyből azt szedem szét, ha nem csavarja ki a ruhát rendesen a gép. és utána ok.

Üdv.

hostya

Rendeltem 2db ilyen ventilátort.

[#t19p82682#]

Az a kérdésem hogy milyen PWM jelet igényel (fesz(12V) / frekvencia (Hz) a fenti ventilátor?

Az egyiket direktben szeretném használni, vagyis a:  Narancs+Piros =   + 12V... a:Szürke+Fekete=  -12V
Ekkor a ventik, (gondolom) a max fordulatszámmal ..(6500 RPM-7500 RPM) mennek, ami elég zajos, de ez az adott esetben nem zavaró.. (elszívó lenne egy hegesztő asztal fölött)

A másikat csőventilátorként.. (légfűtés a műhelybe) szeretném használni, PWM vezérléssel, vagy anélkül..
Ha pl. a tápfeszt lecsökkentem 6..8V-ra,  és akkor nekem megfelelő lenne a légszállítás, és a zajszint is..

Nem ragaszkodom a PWM vezérléshez, hiszen adott (utóbbi) esetben nem szükséges  a szállított légmennyiség változtatása..
Arra vagyok kíváncsi hogy az adott 12V-os kefe nélküli motor(ok) működnek-e a névleges fesz. 50-70% -ával, TARTÓSAN KÁROSODÁS NÉLKÜL..?

Ha mégis szükséges lenne a PWM, akkor tud valaki valami egyszerű kapcsolást, ami itthon is kivitelezhető, vagy esetleg valami beszerzési forrást...

dezsoe

Ezt a konkrét ventilátort nem ismerem, de rendszeresen használok 12V-os 120x120-as ventilátorokat fixen 5V-ra kötve. Gyakorlatilag nincs hangja és pár nappal túléli a világ végét, még a gagyi "csapágyas" is.

(Általában szellőztetésre szoktam kettesével beszerelni olyan helyen, ahol sem a szélvihart, sem a zajt nem értékelik, viszont van egy rack szekrény tele melegedős cuccal, pl. modem, router, switch, NAS. Pont annyi légmozgást csinál, ami a kütyüknek kell a túléléshez és akár egy irodában is elég csendes. :))

s2k5ycubj

Ez a verzió nem biztos,hogy alkalmas 12V alatti működésre. Amelyik igen,annak az adattábláján a változó feszültség érték van megadva. A PWM jel nagysága sehol nincs leírva persze,és tudom pont ez volt a kérdésed...
Találtam pár hasznos infót.
A PWM bemenetre potiról kéne adni feszültséget,valószínűleg 5V max feszültséggel.
prohardver leírás
Elsőre ennyit találtam.

Jozs

Én valószínűleg kipróbálnám alacsonyabb feszültséggel, látszik az egyből ha nem tetszik neki. Ha nem zúg, nem melegszik mondjuk egy óra hosszáig, akkor valószínűleg bírja tartósan. Szerintem simán bírni fogja. Szólj ha esetleg nincs változtatható kimenetű tápegységed amivel kipróbálnád!

Csuhás

Még mindig energolux mosógép (770.8) Kicseréltem a kondit, és megnéztem egy mosást. Persze pont nem voltam ott amikor megállt. De a utolsó centrifugálás előtt a szivattyúzást nem kezdi el. Egyetlen kattintást tekerve a kapcsolón, szivattyúz, korrekt módon leüríti az üstöt majd felpörög és centrifugál. Most ki kell derítenem hogy van-e valami feltétel ami itt meg tudja állítani a programot, vagy maga a kapcsoló halt meg, teszem azt valahol letört/elkopott valami fog a mechanikában.

vnd66s4a2

Tisztelt uraim! Segítséget szeretnék kérni. Lehetőségem van hozzájutni Berger Lahr Twin Line Controller TLC511F léptető motorvezérlőkhöz motorokkal, kábelekkel együtt. Sajnos a PulseC modul hiányzik belőle, ami a StepDir jelek fogadáásáért felelős. Ez a modul nem kapható sehol csak komplett vezérlő részeként. Hobby célra érdemes ezzel foglalkozni vagy felejtős az egész? Előre is köszönöm!Berger Lahr Twin Line TLC511F Műszaki leírás

hostya

Én is kipróbálnám, de még nem érkezett meg.
Remélem megérkezik..

Köszi a segítséget, de szerencsére van alkalmas tápegységem, amivel ki tudnám próbálni. (ha már itt lenne a kezemben..) [#wave]

mma6fim4

A következővel ellek.
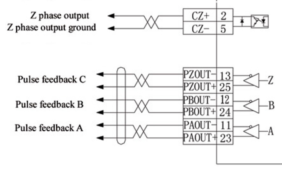
Az A,B,Z csatornák közös földet kaptak. A + kimenetek paraméterezve a programban a meghatározott pinekhez.
Eredmény: Az A, és B csatornákat mutatja a diagnosztika a Z mint Index nem működik.
Lehet hogy a Z-t máshogy kell bekötni, és nem jó neki a többivel közös föld?

Előre is köszi!

  

mma6fim4

Még annyi, hogy az UCCNC-ben az A és B fázisnál be tudtam klikkelni az Active low-ot így valószínűleg ezért működik, ugyanis az Indexnél ilyen opció nincs. Ott akkor vajon mi van?

dezsoe

Az indexnél valamelyik (ha jól emlékszem, akkor felfutó) élre lesz aktív. Ez a polaritástól függetlenül fordulatonként egyszer van.

Mit jelent, hogy nem működik az index? Azt, hogy nem látod felvillanni, vagy nem is tudod használni? Kicsit több részletet írj, ha lehet. (Milyen enkóder, mihez használod, mi a cél, milyen leválasztó kártyával stb.)