Hírek:

Fontos tudnivalók a migrációval kapcsolatban, kérlek olvasd el:

A régi fórumról áthozott hozzászólásoknál a felhasználó neve adatvédelmi megfontolásokból véletlenszerűen generált értékekre lett  lecserélve. Ez akkor tud a valódi értékre visszaállni, ha az adott felhasználó a régi fórumon nyilatkozik, hogy beleegyezik az adatainak az új fórumra továbbításához, majd ezután itt a régi felhasználónevével és email címével regisztrál.
8~20 óra között, 1~30 percen belül megtörténik a jóváhagyás, 30 percenként ellenőrizd email fiókodat (SPAM-ot is) mindenképp kapsz mail-t, a sikeres regisztrácioról, vagy a hibáról és, hogy mi a teendőd.
Nézd meg  "A régi fórumról, az új fórumra költözés útmutatót."
A régi fórumon használt email címmel de más felhasználói azonosítóval érkező regisztrációs kérelmek törlésre kerűlnek.

Main Menu

Mach3 CNC

Indította gaben, 2024 április 09, 16:55

Előző téma - Következő téma

j0f3xpnhc

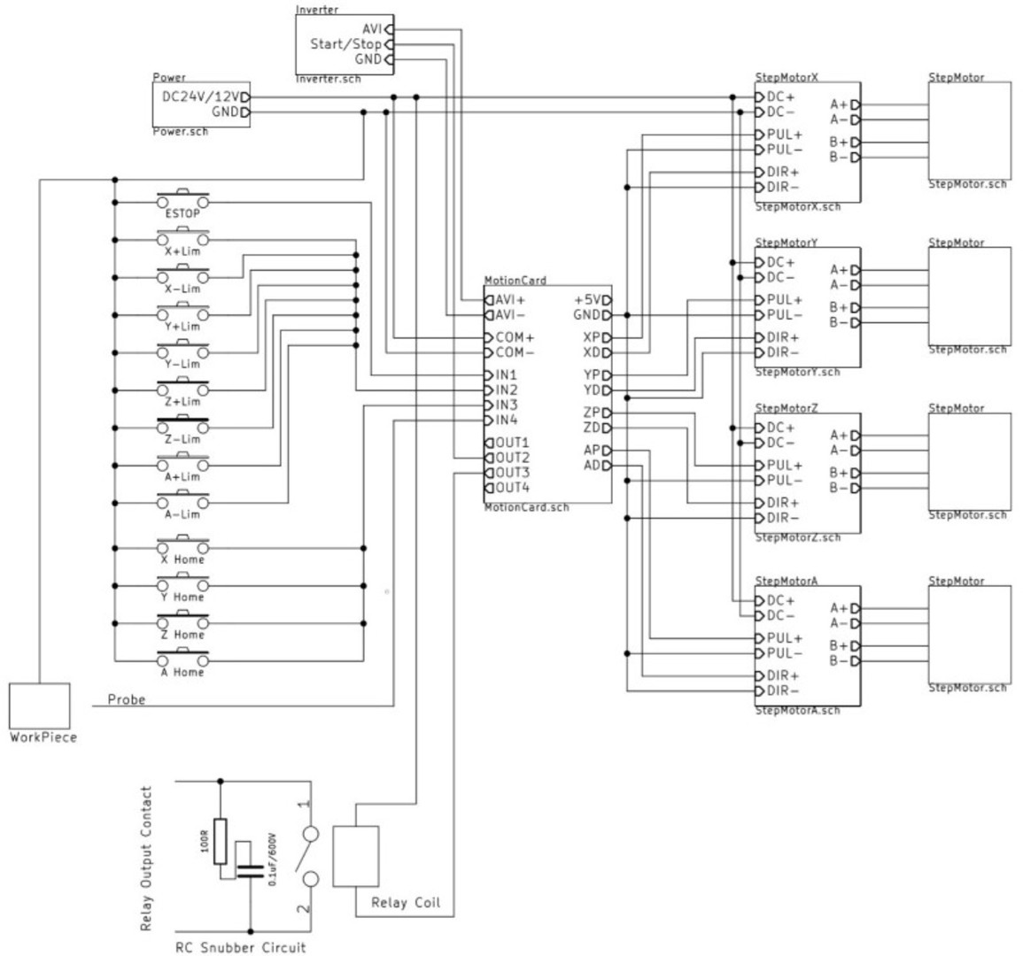
Sajnos nem segített , talán annyit hogy feloldotta a Reset-et. De a végálláskapcsólók és a szerszámbemérés se megy. :(

besirkyjh

Szia

Hátha segít.

Alapból nyitott nyomógombok kellenek hozzá , rajz félreérthető kicsit .

j0f3xpnhc

Nyitottak a kapcsolok... lehet a Win -el van a baj ?? ... kétlem ... hétvégén egy másik laptoppal fogom kipróbálni...
teljesen tanácstalan vagyok :(  de nem adom fel :) marni akarok ...   a képeken a bekötés  és a kapcsoló .... annyi hogy nekem a spindle-nek  4 vezetéke van nem 3...  AVI - +10V - COM - FWD
Ez jol van bekötve jol is működik

    

TBS-TEAM

Egyszerűen kiderítheted, hogy nyitottnak van-e bekötve a kapcsolóid.
Belépsz a diagnosztika oldalra.
Pl: az X+ végállás kapcsolót megnyomod és NYOMVA TARTOD (Nincs változás akkor az X- kapcsolót is megnyomod és ha akkor változik a bemenet akkor alaphelyzetben zár a kapcsoló és nem jó a kapcsoló bekötésed).
Ellenőrizd az összes tengelyen. [#vigyor0]
József

emerzee_

Sziasztok!
Mach3-ban van olyan megoldás, hogy a G-kódba teszek egy olyan utasítást, amire a Mach 3 megjelenít egy figyelmeztető ablakot és lejátszik egy hangot?
Szükségem lenne valami figyelemfelkeltő megoldásra, ami jelezne, hogy szerszámot kell cserélni, miközben a műhely másik végében mást csinálok.
Van erre valami megoldás?
Azt tudom, hogy kiírja, hogy szerszámcsere, de az nem valami figyelemfelkeltő. A bluetooth-os fülesen megjelenhetne valami hang, ami szól, hogy nézzek már oda. (Szériamunkát kellene végeznie a gépnek puha anyagba, letesztelt körülmények között, és sajnos nem állhatok felette egész idő alatt.)

2am4nwzib

Telcsi applikáció .

  

tibs

Ha a szerszámcsere pozicióba tennél egy kapcsolót ami egy
szirénát indítana? [#conf]

kaqkk007

A főorsód leáll szerszámcsere közben ? Ha igen akkor a főorsó relét cseréld váltóérintkezősre és avval kapcsoltass egy hang-fényjelzőt ...

TBS-TEAM

Ha Mach3 Brain editor itt olvashatod, hogyan kell használni
Egy kimenetre programozod.
József

emerzee_

A Brain dolog nekem sok. Azt nem tudnám leprogramozni, egyszerűen nem értek hozzá. A többit ötletet átnézem! Köszönöm a jótanácsokat!

j0f3xpnhc

Sziasztok ... Srácok... Úgy érzem közeleg a vég.... Q... a türelmes vagyok ,de már kezd elfogyni

j0f3xpnhc

még pár kép

          

svejk

Oszt' merre vagy helyileg?

Ez közeledben lakó hozzáértő már rég beállította volna egy tábla csokiért.

D.Laci

A "Demo" verzió lehet nem támogatja az USB eszközt.

Pali79

Biztos minden úgy van beállítva és bekötve ahogy a linkelt oldalon van?