Hírek:

Fontos tudnivalók a migrációval kapcsolatban, Kérlek nézd meg a Régi fórumról új fórumra való költözés

Kedves Kollégák!

2026.04.18-án szombaton ismét megrendezésre kerül a debreceni Hobby CNC találkozó.
Egy kis nosztalgia, múltidézés, tudás megosztás, és minden ami szokásos volt eddig is a találkozókon.
A változatlanul a korábbi találkozók helyszíne lesz ismét az otthona a rendezvénynek.
Debreceni Képző Központ Nonprofit Kft.
Debrecen Budai Ézsaiás 8/A
 

Main Menu

Frekvenciaváltó

Indította gaben, 2024 április 09, 16:06

Előző téma - Következő téma

svejk

Nincs neked egy normális frekiváltód?  :) [#kuss]

KoLa

Most hogy itt írod, tényleg nincs!
Sajna csak ilyeneket tudok venni!

ii5d35wcx

Sziasztok! Szeretnék segítséget kérni, hogy 1/3 fázisú frekvencia váltóval lehet-e 1 fázisú motort hajtatni fordulatszám szabályozás miatt . Egy faeszterga hajtást kellene megoldani. Ha valaki tudva bekötési vázlatot küldeni külső indítással és potencióméterrel, nagyon megköszönném!
Sándor

Pilot001

Adott egy Yaskawa G7  frekiváltó.
CNC adja neki a be ki stb... jeleket
Analóg bemenettel állítja a fordulatot de .....
Levettem az analóg bemenetről a CNC -t és akkor is  254 fordulatot akarna de ugye nem tudja mert az indítójel nem aktív.... Ötlet ???   :)

      

fn47xk7ei

" nem lehet olyan EGYSZERŰ invertert készíteni, "... valami ilyesmire gondoltál?

      

Bencze András

Vedd le a minimum fordulatot 0-ra.

dtb

Igen! Most már csak valakit találni kell, aki megfizethető áron meg is csinálja :-)

Alga76

Szia Sándor!

  Szerintem nem lehetséges egyfázisú motort meghajtani 1/3 f frekvenciaváltóval.
   Ami működhet motorcsere, ha frekiváltó már megvan. Jó lehet  egyfázisú frekvenciaváltó , ami állandó - üzemi kondenzátoros motorhoz való.

O.

ii5d35wcx

Köszönöm Szépen a választ! Marad a egy 3 fázisú motor. Csak a motor felfogatás átalakítást akartam elkerülni.
Üdv: Sándor

ii5d35wcx

Egy kicsit magyartalan lett! Tehát , egy 3 fázisú motor lesz beépítve,mivel meg van a frekvenciaváltó.Csak át kell alakítani a motor felfogatását. Más a talpméret és a motor mérete.Bocsánat csak másra is figyeltam[#lookaround]
Üdv: Sándor

Alga76

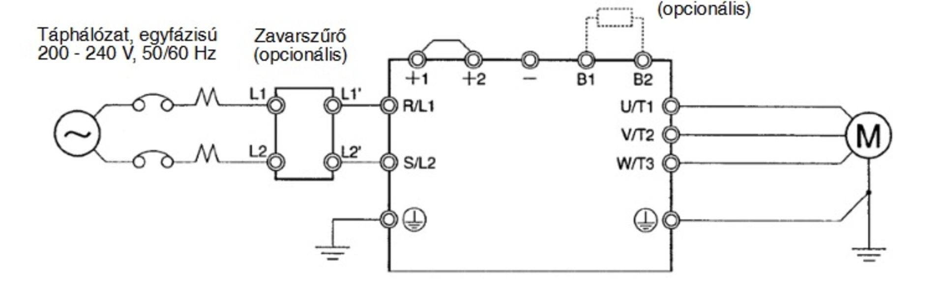
Semmi gond így már működni fog. Ha frekvenciaváltó típusát megadod, akkor az adott kimenetekkel bemenetekkel átrajzolom.
Ez egy minta rajz az Omron J7 könyvéből.

    

ANTAL GÁBOR

Nem tudom hány ember próbált már 1 fázisú frekiváltóval üzemi kondenzátoros motort .  Nos én ( igaz kényszerből ) két éve vettem egyet .
Egy spéci magasnyomású hidraulikus tápegység motorját kellett alacsonyabb fordulaton hajtanom . Megkerestem a forgalmazót és beépítettem a frekiváltót . A leírás szerint semmit sem kellett megváltoztatni a bekötésen  L1 L2 PE   kontra OUTPUT1
OUTPUT2   PE .
Aztán kicsit elgondolkodtam mert a 25 Hz hez nem tartottam ideálisnak az 50 Hz re méretezett üzemi kondit .  A kondi méretezése igencsak hinaras terület mert  rengeteg motoradatot kell ismerni hozzá . Aztán számolással és méréssel megkerestem az optimális kondit  ( esetemben az 550 wattos motor 16uF  kondiját lecseréltem 25uF ra .)
Elméletileg minden kimenő frekihez más más kondi lenne ideális  ( nekem könnyű dolgom volt mert 25 Hz volt a kitűzött cél )
 Azóta napi 8 órában dolgozik a tápegység
A frekiváltó  tervezői egy olyan programmal  szállították az egységet amely emelt indítónyomatékot generál a felfutás során  ( Emlékeim szerint a motor dinamikusan felfutott kissé a beállított fordulat fölé majd szépen beállt a megadott értékre . )
 Konklúzió : csak kivételes esetben szabad használni , nem beszélve arról hogy nem egy tömegtermék tehát igencsak megkérik az árát  ( kb 70-80e volt egy 550 wattos motor hajtására kifejlesztett egység )

ANTAL GÁBOR

Lehet szerencsésebb lett volna  U ,V  ,PE t írni az L1 ,L2 PE helyett

Bencze András

Sorry, hogy belevauuu, de az 1/1f frekiváltó megcsinálja a 90 fokos fáziseltolást, így nincs szükség kondira. Amennyiben 1/3 f frekiváltó 2 fázisára teszed a motort kell az üzemi kondi. Az más kérdés, hogy reklamálni fog az asszimetrikus terhelés miatt. A többivel nagyjából egyetértek.

ii5d35wcx

Szia! Akkor az 1/3-as frekvencia váltóval lehet 1 fázisú motort hajtani?