Hírek:

Fontos tudnivalók a migrációval kapcsolatban, Kérlek nézd meg a Régi fórumról új fórumra való költözés

Kedves Kollégák!

2026.04.18-án szombaton ismét megrendezésre kerül a debreceni Hobby CNC találkozó.
Egy kis nosztalgia, múltidézés, tudás megosztás, és minden ami szokásos volt eddig is a találkozókon.
A változatlanul a korábbi találkozók helyszíne lesz ismét az otthona a rendezvénynek.
Debreceni Képző Központ Nonprofit Kft.
Debrecen Budai Ézsaiás 8/A
 

Main Menu

Frekvenciaváltó

Indította gaben, 2024 április 09, 16:06

Előző téma - Következő téma

J-Steel

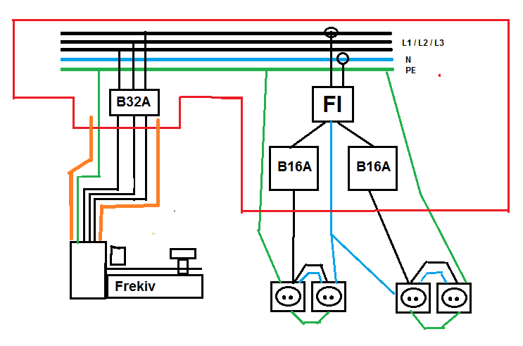
Készítettem egy mórickarajzot, hogy mire gondolok. Azért ilyen egyszerű, hogy mások is értsék.

 Fent pirossal a jól elzárt kapcsolószekrény, ahol az 5 vezeték megtalálható. Fekete a fázisok, kék a nulla, és zöld a PE vezető.
 Jobbra, amennyiben CE-csatlakozós fogyasztóm van, azt az FI csatlakozó mögé (itt alá) teszem.

 Ha olyan fogyasztóm van, ami nem CE-csatlakozós és I. (Első) Érintésvédelmi Osztályú (fix helyzetű fogyasztó, pl nagyeszterga frekiváltóval), azt közvetlenül a kapcsolószekrénybe kötöm mechanikailag védett kábellel (narancs). Ez van baloldalt.

Megjegyzés: Északamerikában pl. előírás rögzíti, hogy a vezeték, amely a fent említett fogyasztótól a kapcsolószekrényig megy, azt fémcsőben kell vezetni, hogy a kábel semmilyen módon ne sérüljön.
 Ezzel a védőföld mindig kielégítően biztosítható.

 Feltételezem, hogy a kolléga frekvenciaváltója dobozban van, amely aztán további vezetékeken keresztül csatlakozik egy mechanikához, amiben a motor van.
 Ha a védőföldelés megfelelően ki van építve a frekiváltó doboza és a mechanika között, akkor felesleges FI védőkapcsoló, a felhasználó érintés védelmi szempontból biztonságban van.

 Ha viszont esetleg CE-csatlakozón (3 fázisú dugón) keresztül lenne bekötve, akkor viszont kellene FI.

  

szf

Mi az a CE csatlakozó?

J-Steel

Rosszul írtam dupla e-vel írják, tehát CEE csatlakozó:
https://de.wikipedia.org/wiki/CEE-System

 Van belőle egyfázisú (amit köznyelv dugvillának és konnektornak hív) és háromfázisú ez utóbbiból van 4 pólusú és 5 pólusú, továbbá 16 és 32A-es változat.

PSoft

" Ha a védőföldelés megfelelően ki van építve..."

Mi a megfelelő?

"megfelelően" kiépített védőföldelés nincs!
Van viszont, szabvány szerint kialakított védővezető.(PE vezető)

jani300

Az én időmben még mindennek volt Magyar neve :)
Csak félig tartom azért viccesnek , ezeket az újmódi érthetetlen rövidítéseket . Tudom ,tanulni-tanulni ....
 Jó hogy a betűket eltudom olvasni ,még :(

J-Steel

Megfelelő az, amikor az I. Érintésvédelmi Osztályú fogyasztó teljes fémháza galvanikusan kapcsolatban van a PE-vel.
 Ez a PE pedig galvanikus kapcsolatban kell hogy legyen a betáp szekrény PE sínjével (vagy sorkapcsával).
 Továbbá biztosított, hogy erős mechanikai hatás nélkül ez a galvaikus kapcsolat nem bomlik fel.

jani300

Azért valami ellenállás értéket meg szoktak adni . Akár keresztmetszet is szóba kerülhet :)
Galvanikus ,az így soványnak tűnik nekem .

J-Steel

Ez a CEE rendszer megtalálható a IEC 60309 szabványban, ami a német DIN EN 60309-ből származik.

 Kis érdekesség, hogy tavaly novemberben, amikor a magyar szabványügyi hivatalban előadást tartottak nekünk gépek biztonsága témában, akkor az előadó azt mondta, hogy a hivatal nem tud lépést tartani a nagy mennyiségű megjelenő szabvánnyal és általában legalább 5 év a késés a fordításban, de van úgy hogy 11 éve nincs új fordítás.
 Általában csak a fedőlapot és a rövid leírást fordítják le, hogy legalább a cím meglegyen. Főleg azzal indokta, hogy nem jön be elég bevétel ahhoz, hogy megérje a fordítókat dolgoztatni.

PSoft

Az én időmben, még "FI"relé se volt.:)
Akkoriban még, áramvédő kapcsolónak hívták.[#nevetes1]

Illetve volt Fi-relé, de az egy teljesen más történet...
Neked ha jól tudom, van egy UF222-esed. Nah...abban van(volt) Fi-relé.:)

J-Steel

Igen, valóban a PE sokkal combosabb kell hogy legyen, mint a fázisvezeték, viszont ennyire már nem akartam belemenni, mert elveszítjük a lényeget, hogy mikor nem kell FI.

J-Steel

Valóban az a hivatalos neve, hogy "hibaáram védőkapcsoló", csak mivel a hiba=Fehler/Fault áram=I, ebből lesz az FI. Relé meg gondolom azért, mert van benne egy mágneskapcsoló, amit a magyar szeret relének nevezni.

jani300

De volt valami , és a külsősök nem mindig találták el , hová is kellene kötni a nullákat , volt egy két kalamajka .
Az UF222 mire odaértem máz szétkapták a vezérlését .
De UF 221 fénymásolt gépkönyvem az van , megnézem majd .

PSoft

Jó, de ne hogy ÁVK-t :) keress, abban a gépkönyvben!

Annak a Fi-relének, semmi köze nem volt...ezekhez.
(emlékeim szerint, a gép jobb oldali szekrényében volt...szelénoszlopok társaságában) :)

szf

Kolléga jól mondta a FI relé típusát.
Tudok segíteni, hogy kedvező áron megkapd a terméket.

PSoft