Hírek:

Fontos tudnivalók a migrációval kapcsolatban, kérlek olvasd el:

A régi fórumról áthozott hozzászólásoknál a felhasználó neve adatvédelmi megfontolásokból véletlenszerűen generált értékekre lett  lecserélve. Ez akkor tud a valódi értékre visszaállni, ha az adott felhasználó a régi fórumon nyilatkozik, hogy beleegyezik az adatainak az új fórumra továbbításához, majd ezután itt a régi felhasználónevével és email címével regisztrál.
8~20 óra között, 1~30 percen belül megtörténik a jóváhagyás, 30 percenként ellenőrizd email fiókodat (SPAM-ot is) mindenképp kapsz mail-t, a sikeres regisztrácioról, vagy a hibáról és, hogy mi a teendőd.
Nézd meg  "A régi fórumról, az új fórumra költözés útmutatót."
A régi fórumon használt email címmel de más felhasználói azonosítóval érkező regisztrációs kérelmek törlésre kerűlnek.

Main Menu

Plazmavágó gépek építése

Indította gaben, 2024 április 09, 15:54

Előző téma - Következő téma

s7manbs8

Ja, meg olyan rajzolatot, hogy 1-es tollal is meg lehessen rajzolni cnc-vel a nyákot. :)

dezsoe

Ahhoz képest, hogy nem túl összetett, van akkor gubanc a húrok között... [#fejvakaras] Ezt mire elrendezem...[#csodalk]

s7manbs8

Ismerős, az elején én is mindig azt gondolom megvagyok egy órűcska alatt, aztán a végén a 4. napon lassan elkészül. :)

jnf0bjtjf

Ha gondoljátok meg tudom kérni bátyámat hogy tegye közzé az arduinora írt THC programját.  Mondjuk nekünk már 0-5volt tartományban jön ki a plasmából az ívfesz, de biztos tudja módosítani a progit.

jnf0bjtjf

Meg ha érdekel valakit le tudom fotózni a nyákot is...  Holnap

fn47xk7ei

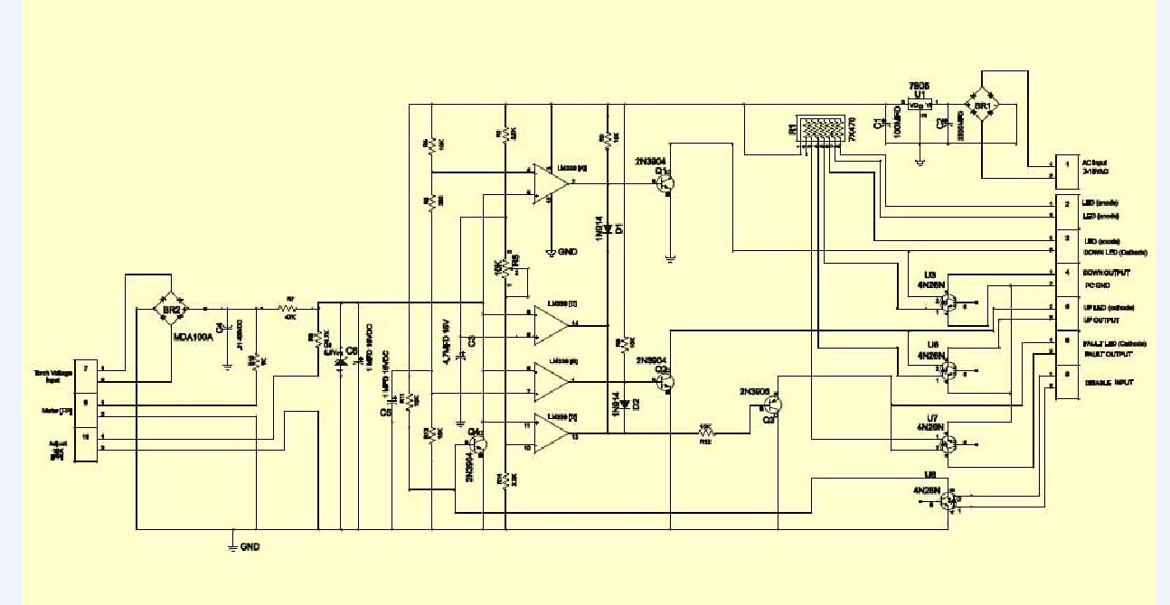
Nem , nem tudom , nem vagyok elektromos szaki . Rajzold le mire gondolsz .Nem értem még pontosan mire gondolsz a hibakimenetnél . Az ívfeszültség gyakran a tartományon kívül van olyankor küld ki UP vagy DOWN jelet . Fogadni pedig csak akkor fog ha van van plazmaív mert ugye annak is kell egy egy külön áramkör de azzal most nem akartam volna még bonyolítani mivel egy egyszerű THC kapcsolás megvalósításáról lenne szó .De minden ötlet jól jönne . Neked mi lenne erre . Én alapnak a MACH3 kézikönyvének THC rajzát veszem . Ez mindenkinek elérhető .Szűrő meg már van a plazmavágó gép mérési pontján egynek majd + közzétett rajzon a 1 mikrós kondenzátornak is hasonló szerepe lenne . A két ellenpárhuzamos dióda is a védelmet szolgálná .Mindjárt kikeresem a rajzokat de már többször közzé lett téve itt is csak kevesen reagáltak rá azaz szinte senki . Én azt is elkezdtem láthatóra visrosszajzolni . Ott sincs több szűrő vagy védelem .

fn47xk7ei

Beteszem a rajzot de az biztos , hogy te jobban ismered mint én mert régóta cnc-zel ill. értesz is az elektronikához én meg csak ugatom . A kezdőknek meg valahogyan el kell indulni mert eddig nem sok segítséget kaptunk itt a hozzáértőktől THC gyakorlati témában , valahogyan mindig elsikkadt a téma . Most legalább megint előjött . Sajnos az "indító" társunk jelezte , hogy nem publikálja az ötletét . Én csekély tudásommal több oldalról megpróbáltam megközelíteni .Még lenne ötletem - ehhez  szereztem kettős ablakkomparátor ic-t de egyenlőre elég lenne a közzétett rajz tökéletesítése is (persze gyakorlatilag nem csak kérdések formájában mert akkor megint leül a téma ).

    

fn47xk7ei

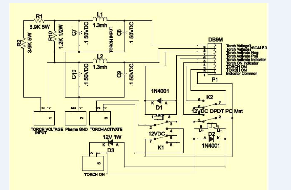
Az eredeti rajzon sincs több védelem . Az 1. körbevonalazott rész a plazmavágóba van beépítve azaz a mérési pontra és innen van átvezetve egy árnyékolt vezetékkel a THC-hez az ívfeszültség mérési bemenetére .A 2. körberajzolt védelem pedig egy zéner dióda és egy 1 mikrós kondenzátor - nálam ez két ellenpárhuzamos dióda és az 1 mikrós kondenzátor .

  

ANTAL GÁBOR

szia ! emlékeim szerint Xieli panelműszert alkalmazol .  Mi indokolja az hogy a 3 db panelműszerhez  3 db külön tápot használsz  ?   Miért nem megy el mindegyik a THC 5 V járól ?

 Nem sok adatot találtam a Xieliről de szerintem a táp GND és a jel GND közösíthető

fn47xk7ei

Szia Gábor. Ez így biztosabb megoldás , hogy mindhárom műszer galvanikusan független egymástól ill. az alap elektronika tápjától .Egy kis trafós 4x5 V-os DC táp - nem nagy ügy és könnyen össze tudtam dobni még én is . Sajnos az az egy DC panelműszer ami a a te kezeid között is átfutott a mai napig nem működik rendesen . Ekkor ment el a kedvem a fojtatásától az egész THC ügynek mert újra kellett volna készítenem a táp részt mivel vettem még kettő darab 2 V-os panelműszert itt a fórumon de persze azok meg 9 V-os tápot igényelnének és nem volt már kedvem szétszedni és újra alakítani az egészet . De most, hogy felvetődött a téma lehet , hogy hozzáfogok fél év állás után .[#fejvakaras]Amennyiben itt egy kis közösség össze tudna kalkulálni egy használható THC egységet az ösztönző lehetne mindenkinek köztük nekem is .

svejk

Én magam is többször értetlenkedtem már a méregdrága THC-k
kapcsán és ajánlottam az eredeti Mach3 kapcsolást.

Abban valóban igazad van, hogy rajztechnikailag egy katyvasz,
 érdemes áttekinthetőre virosszajzolni.
(az eredeti angol verzióban egyébként jobb minőségű a rajz)

A hiba kimenetre csak azért gondoltam, hogy lehet olyan hogy felgörbül a lemez,
vagy lefut a munkadarabról az ív és azt is érzékelje és állítsa le a mozgást a THC.
Tehát az üzemi ablakkomparátort kiegészíteni egy másodlagossal ha kifut az üzemi tartományból.

Nekem nincs plazmám, nem is építettem, így addig érdemben nem tudok beleszólni,
inkább csak kérdezek.

Ha lenne már biztos kikísérleteztem volna valamit. Sajnos fejből nekem sem mennek
 a tuti elktronikai receptek.

Ja és a mach3 ajánlásában is vannak ott LC szűrők.

fn47xk7ei

Az , hogy egy "katyvasz" az eredeti azon tudunk módosítani mert érdemes logikai egységekre szétbontani és akkor rögtön érthetőbb olyan nonmogulok számára is mint én vagyok . Csak tőmondatokból értek , makacs vagyok , bugyuta kérdéseim vannak , stb.[#guluszem1] A "felgörbült lemez" gondolatot sem értem mert a THC-t pont erre a problémára találták ki .Kifutásnál két lehetőség van :1. automatikus újragyújtás - ekkor hiba nincs 2."lift"-es gyújtásnál az ív kialszik viszont van a THC-nak ívfigyelő áramköre (az eredeti plazmavágóban lévő reed relé is alkalmas erre ) itt pedig "tiltás" funkció játszik .Viszont jó lenne ha beleszólnál te is és persze más elektronikus szakemberek a témába , hogy nehogy megint vakvágányra fusson a téma . Szerintem megérdemelnék mi hobbisták egy egyszerűbb plazmavágó THC komplett elektronikai rajz létrehozását mindenfajta titkolózás nélkül !

vadember


svejk

Nem tudok érdemben beleszólni mert nem ismerem a technikát.
Látod azt sem tudom milyen ki és bemenetei vannak a plazmagépnek. :(

Így inkább vedd semmisnek a kérdéseimet is, különben sem kell nekem mindenbe belekotyognom. :)