Hírek:

Fontos tudnivalók a migrációval kapcsolatban, kérlek olvasd el:

A régi fórumról áthozott hozzászólásoknál a felhasználó neve adatvédelmi megfontolásokból véletlenszerűen generált értékekre lett  lecserélve. Ez akkor tud a valódi értékre visszaállni, ha az adott felhasználó a régi fórumon nyilatkozik, hogy beleegyezik az adatainak az új fórumra továbbításához, majd ezután itt a régi felhasználónevével és email címével regisztrál.
8~20 óra között, 1~30 percen belül megtörténik a jóváhagyás, 30 percenként ellenőrizd email fiókodat (SPAM-ot is) mindenképp kapsz mail-t, a sikeres regisztrácioról, vagy a hibáról és, hogy mi a teendőd.
Nézd meg  "A régi fórumról, az új fórumra költözés útmutatót."
A régi fórumon használt email címmel de más felhasználói azonosítóval érkező regisztrációs kérelmek törlésre kerűlnek.

Main Menu

Plazmavágó gépek építése

Indította gaben, 2024 április 09, 15:54

Előző téma - Következő téma

xabi

Szia, köszi hogy ennyit foglalkozol a dologgal. Nem értem hogy nem érted megpróbálom megint leírni.

Van egy Iweld gép (tudom ez is kínai, és még sárga is (a másik gépet azért hívom kínainak mert szegénynek neve sincsen csak annyi hogy Icut100, de így nem lehet a megtalálni a neten... [#vigyor4])). Az iweld gépnek nem akartam garancia miatt levenni a fedelét ezért nem látom hogy mi van benne és mi hová van kötve a Centrál csatlakozó belső oldalán. Ki kell találjam hogy a külső oldalon a fej végén lévő centrál csatlakozó áthelyezhető Pinjeit hová tegyem hogy legyen HF gyújtásom. A géphez adott liftes gyújtású PT100 fej működik ott a mondjuk a 8és9-es PIN a pilot arc gyújtó. A szintén liftes Zeta fejet ugyanide kötve ugyancsak működik a pilot arc. Ha a HF gyújtású A141-et idekötöm viszont nem gyújtja be a pisztolyt.

A fenteikből következően ha ez egy Multiarc gép (tehát tudja a liftes és a HF gyújtást is) elképzelhető-e hogy a gépen belül a centrál csatlakozón van a liftes gyújtáshoz két PIN bekötés jelen esetben a 8és9 és a HF gyújtáshoz mondjuk a 6és7 vagy ez elképzelhetetlen és közösnek kéne lennie a liftes és HF gyújtásnak.


Más, visszatérve előző elmélkedéshez hogy melyik gyújtás  a jobb (Lift vagy HF) elmélkedésemből azt sugallom hogy a liftes gyújtás vágási minőség miatt jobb, de közben rájöttem hogy használtam Trafimet S101 liftes fejet is ami totál rosszul vágott (vissza is küldtem helyette lett a ZETA).

Következtetés : mindegy hogy HF vagy Liftes gyújtású a pilot arc (mondjuk a liftes gyújtású sokkal tisztább érzés, nem zavarj a számítógépet stb.). A fej és a kopóalkatrészek kb 2x annyiba kerülnek a liftes gyújtásnál, viszont a fúvóka nem igazán szokott félreégni mint az A141-en tehát néha 1 fúvóka 2 elektródát is kibír.

A PT100-as kinai csoda és a Trafimet ZETA (egy az egyben a hypertherm koppintás) azért vág jobban mert jobb a fej kialakítása.

Az ívőr valami olyasmit jelent hogy például lyukacsos lemezt vágsz plazmán a HF gyújtású össze vissza durrog, a liftes gyújtás viszont szépen vág valahogy tartja magát az ív nem szenved a gép.

fn47xk7ei

Hát .. büszke is vagyok magamra - már mint , hogy jobban bírom a strapát mint az Iweldesek .[#vigyor1] Gondolom ők is csak néztek ki a fejükből , hogy hova mit akarsz te átkötni és elmondták , hogy semmit nem kell csak gondolom te ezt figyelmen kívül hagytad .A gép leírásában szerepel , hogy automatikusan felismeri milyen fej van rajta - akkor miért is mit kellene átkötni ? Van körkörösen  a centrál csatlakozón pár lik - lehajolsz belenézel és látsz 2x2 kis réz hüvelyt ( most érdektelen most hányas számú ) abból 2 darab a kapcsoló szálé és 2 darab a pilotáramé de ez KÖZÖSÍTETT így logikai alapon egynek is veheted és kifújt NINCS TÖBB ! Tettem be rajzot is ott is látni - egy szál piros vezetéket kell összekötni ( pilot áram +  a ráültetett nagyfeszültségű HF ami lekapcsolható ha liftes gyújtású fejet teszel a munkakábel végére )a munkakábel egy szál ugyancsak piros vezetékével - ez van rá kötve párhuzamosan a két hosszabb tüskére ...egyszerű bekötés mint egy lapos elemlámpa .Írtam , hogy vedd le a burkolatot mert hazugság , hogy elveszti a garanciát ..megint hajtod a magadét .Az is lehet , hogy van HF-es gyújtásod mert írtam , hogy nézd meg vagy hallgasd meg lehet-e szikra hangját hallani - van olyan amikor van HF-es szikra csak a plazma fáklya nem tud felépülni - erre sem reagáltál .Már nem írok többet mert félek , hogy eltűnik a hsz. és kezdhetem elölről .[#nemtudom]

xabi

Az Iweldnél értették a kérdést csak nem tudtak válaszolni, Te viszont mindenre válaszoltál ami nem volt kérdés [#dumcsi]. Viszont a válaszaid hasznosak voltak műszakilag köszönöm.
Majd szétszedem a gépet és ha nem boldogulok lefotózom...

A kérdés továbbra is az hogy a működő liftes gyújtáshoz kötöm a HF gyújtású fejet nem gyújt be és nem kattog. Elképzelhető hogy más pontra kell kötni a HF gyújtás pilot arc vezetéket mint a liftes gyújtásúét ?

A válaszaidból megértettem hogy szedjem szét a gépet és megtudom. (csak ezt el akartam kerülni, de ha lesz időm mégis csak szét fogom szedni.)

fn47xk7ei

Akkor most nem tudod , hogy mi az a pilot áram ? Miért van szükség rá ? Tök mindegy a gyújtás típus ugyanúgy szükség van rá a Hf-es gyújtáskor és a liftesnél is tehát értelmetlen bármit átkötni - de hát nincs is hova üres pólusra ( lyukra) felesleges bedugni ezt meg kellene értened . A pilot áram a fő áramkör pozitív ágára van kötve mint rajzon is látható egy ellenálláson keresztül ami korlátozza az áramot kb. 15-20 A-re és ez DC ! Ugyanerre a vezetékre van "ráültetve  " a nagyfeszültségű NAGYFREKVENCIÁS (HF) NAGYFESZÜLTSÉG - így megint értelmetlen máshol keresni valamit - Ha lekapcsolod a HF tápját megszűnik a nagyfeszültségű szikra - liftesnél meg nincs is szükség rá elég ha az elektróda (-) és a fúvóka (+) összeér és a levegő nyomás rákapcsolásakor hátra mozdul pilotáram ívet húz a fejen belül és a plazmafáklya kicsap a fúvókán keresztül . Ha rajta marad a HF-es gyújtás akkor is működne a liftes - fordítva nem igaz mert először a nagyfesz szikra húz át a fix távolságú fúvóka ( pilot +) és az elektróda (-) között és ezen a kis szikrán kellene a pilotáram teljesítmény hatására felhízni a plazma ívnek - fáklyának . Ha nincs HF szikra  vagy kicsi a teljesítménye vagy nagy a levegő nyomása vagy nem megfelelő a pisztoly ( mert ilyen is létezett ugyanis egy pisztoly márkával nem gyújtott a gép viszont rátettünk egy-több Ergus gép pisztolyát azzal mindig stabilan ). Tehát inkább azt tanácsolom vedd le a burkolatot és kitakarítod  a gépet  utána meg készítesz pár fotót közelről és okosabbak leszünk. Amikor végeztél levett burkolat mellett csinálj próbagyújtást hátha működik a gyújtókör és rögtön meglátnád hol van a szikraköz - nagyon látványos , könnyű észrevenni . Volt olyan is , hogy egy géptulajdonos azért hozta vissza mert azt hitte káros és hiba jelenség a szikrázás mert ő is beindította a gépét levett burkolt mellett .De végül hidd el pont a kérdésedre próbállak rávezetni de sem a rajzot nem értelmezted sem megérteni nem akarod a mondandóm . Valószínűleg rossz tanár lennék ![#szomoru1]

fn47xk7ei

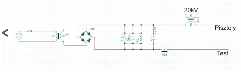
Még egy képet beteszek hátha ez is elvezeti a logikádat vagy érthetőbb  mi ,mit , miért . Itt fordított logika - nincs pilotáram van viszont HF gyújtó és gyújtókör aminek az áramköre a becsatoló tekercs-kondenzátor-test-szikra(később plazma ív)-elektróda-és vissza a becsatoló tekercsbe .

  

fn47xk7ei

Annyi , hogy ezen a rajzon a test ágon lévő fojtó tekercs rossz helyen van  de gondolom neked ne zavaró tényező .

jani300

É miért van rossz helyen ? A nagyfreki miatt ?
Csak szimplán kíváncsi vagyok  , nem kell letolni :)

fn47xk7ei

[#boxer][#boxer][#boxer][#boxer][#nevetes1]Igen a nagyfreki nehezen küzdi át magát a fojtón - picit visszább helyezve máris sokkal jobb .[#integet2]

remrendes

Mennyivel lenne erdemes visszabb rakni? Meg a graetz ele, vagy csak a kondi ele?

fn47xk7ei

A graetz után lenne jobb mert az egyenáramot "simítja" és persze a valamennyire védi is az egyenirányítót a HF-es nagyfeszültségtől - persze ebben inkább a kondenzátor jeleskedik .

xabi

A plazmavágó pisztolyok működést értettem, de a leírásodból most már azt is értem hogyan van megvalósítva (képzavar van-volt nálam hogy a pilot áram és a HF gyújtás hogyan van "összefésülve"). Sajnos az elektronikai rajzaid nekem semmit nem mondanak gépészmérnök vagyok, de a leírásod tök logikus érthető (az elektronikai rajzok meg remélem másnak hasznosak). [#puszi]

Mivel nem gyújt HF-esen az Iweld szétszedem lefotózom nemsokára.

xabi

Szétszedtem lásd fotók :
Iweld Multiarc 130 : Iweld képek

Noname kínai : Noname kínai gép képek

fn47xk7ei

Gyorsan leskicceltem ami lényeges - mert tulajdonképpen egyetlen szál vezetékről szól az egész téma : a pilot vezetékről .Ami még lényeges : a pilot áram egyenáram (DC) ami nem tud áthaladni a kondenzátoron ( most a feltöltődés nem lényeges ) és könnyedén áthalad a kis menetszámú tekercseken . A HF-es áram váltakozó áram (AC) és a 100 kHz feletti frekvenciával könnyen úgymond áthalad a nagyfeszültségű kondenzátoron míg a tekercs nagyon nagy ellenállás neki + nagyon könnyű ráültetni a egyenáramú vezetékre becsatoló tekercsel (nekem speciel ez sincs a gépembe csak egyenesen rá van kötve a nagyfesz ). Tehát egyetlen vezetéken van a pilotáram és a HF-es gyújtóáram . Egyenlőre nem írok többet nehogy megzavarjalak vele .

  

fn47xk7ei

A harmadik képen a kis panel tetején (középen) a két kis pogácsa a szikraköz és jól látható a nagy zöld pilotáram korlátozó rezisztor . Vannak ettől még könnyedébb kialakítások szikraközre - lásd GYS  gépekben .A többit majd kitárgyaljuk este .

  

fn47xk7ei

A "Kínai gép"-re vonatkozott a hsz.