Hírek:

Fontos tudnivalók a migrációval kapcsolatban, kérlek olvasd el:

A régi fórumról áthozott hozzászólásoknál a felhasználó neve adatvédelmi megfontolásokból véletlenszerűen generált értékekre lett  lecserélve. Ez akkor tud a valódi értékre visszaállni, ha az adott felhasználó a régi fórumon nyilatkozik, hogy beleegyezik az adatainak az új fórumra továbbításához, majd ezután itt a régi felhasználónevével és email címével regisztrál.
8~20 óra között, 1~30 percen belül megtörténik a jóváhagyás, 30 percenként ellenőrizd email fiókodat (SPAM-ot is) mindenképp kapsz mail-t, a sikeres regisztrácioról, vagy a hibáról és, hogy mi a teendőd.
Nézd meg  "A régi fórumról, az új fórumra költözés útmutatót."
A régi fórumon használt email címmel de más felhasználói azonosítóval érkező regisztrációs kérelmek törlésre kerűlnek.

Main Menu

Plazmavágó gépek építése

Indította gaben, 2024 április 09, 15:54

Előző téma - Következő téma

fn47xk7ei

Pár centrál csatlakozót szereltem már és ezért nem értem mit hova akarsz kötni mert semmi variációs lehetőség nincs .Van két tüske párhuzamosan kötve mivel egy tüske stabilan nem bírná el a nagyobb 20 A körüli pilot áramokat és van a kapcsoló pár tüske ami a gépi fejnél csak védelmi funkció hogy ha leveszed a kupakot ( ennek réz gyűrűje zárja össze a két vezetéket ) nem lehet beindítani a fejet azaz  nem ráz meg az áram ( 300-350 V dc ). A gépnek meg nagyon könnyű felismerni a két fej közötti különbséget mert a HF-es fejnél nagy ellenállás van a pilot vezeték és a negatív pólus között míg a liftesnél nulla mivel rövidzár van a fejben azaz az elektróda hozzáér a fúvókához . Ergo a liftes munkakábel ugyanúgy van bekötve mint a HF-es .A helyedben én levenném a plazmavágógép burkolatát és rögtön kiderülne , hogy HF-es a géped vagy nem . A garancia elvesztéstől nem kell félni mert nem igaz - ugyanis erős ajánlás , hogy használattól függően bizonyos időnként le kell venni a burkolatot és át kell fúvatni a gépet száraz levegővel  a sok port miatt . Ipari körülmények között nagyon hamar belepi vastagon a por a hűtőbordákat ill. a paneleket ami hibát okoz . Mi anno mielőtt eladtok a gépet teszteltük , hogy gyújt-e rendesen és a legegyszerűbb állítási lehetőség a HF-es panelon a szikraköz távolságának módosítása jelentette .

fn47xk7ei

Amennyiben levennéd a burkolatot akkor onnan tudnád meg , hogy HF-es gyújtású-e a géped , hogy általában lenni kell benne becsatoló tekercsnek ( lásd az első fénykép) valamint nagyfesz transzformátornak . De persze előtte mindenképp próbáld ki HF-es pisztollyal mert bekapcsoláskor hallani a nagyfeszültségű szikrának jellegzetes hangját a pisztolyból ill. távolról belenézve látni is lehetett a szikrát amikor nem akart begyújtani a pisztoly .Ha meg fényképeket készítenél a gép belsejéről az lenne az igazi .

        

remrendes

En eddig azt hittem, hogy a HF-es gyujtas nagy frekvenciat es nagy feszultseget jelent a munkadarab es az elektroda kozott, a Pilor arc-os pedig a pisztolyon belul vegzi el ugyanezt.

remrendes

Kis guglizas, ez lenne a blowback start?

fn47xk7ei

A HF  a nagy frekvenciát jelenti . Ez a kis méretek miatt kell  lásd nagyfrekis ferritmagos trafó - hagyományos autó  gyújtó transzformátorral is lehet nagyfeszültséget előállítani csak nagyobb méretben .Plusz előnye a kis méretek mellett a 100 kHz feletti frekvencia ( ezt szikraközös Tesle körrel állítják elő ) így biztosan nem ráz meg a nagyfeszültség a skin hatás miatt . A HF-es nagyfeszültséget a pilot áramkörre ültetik rá becsatoló tekerccsel . A pilot áram maga a + test lenne csak egy nagyobb rezisztoron halad át a 15-20 A-es pilot áram ill. HF-es szűrés van ráépítve , hogy a nagyfesz ne tudja kiütni azaz tönkre tenni más alkatrészeket . A nagy feszültség így a fúvóka és az elektróda között van és ott üt át a nagyfeszültség majd azon a kis szikrán keresztül tud felépülni-felhízni a  pilot áram által a fáklya ( persze van mikor nem ha nagy a levegő áramlás sebessége vagy kevés a HF-es teljesítmény ). Mikor a pisztolyt közelited az anyaghoz akkor az ív átcsap a testre amit a + (testkábel) áramkörbe épített áram ( régebben reed relé ) érzékel így lekapcsolja a HF-es gyújtást és "jobb gépeknél " a pilotáramot is .A pilot áram lekapcsolása a mostani Kínai invertereknél sokszor nincs jól megoldva - no ezért vakarják sokan a kobakjukat miért is ég szét hamar a fúvóka . Pedig csak egy kis matematika - csak 8-10 A-el is számolva meg vagy 50 V-al ( azért 50 V-al számolok mert az elektróda csúcsa és a test között van a 120-akárhány voltos munkafeszültség )... mekkora teljesítmény csapkodja magát a fúvókát + még a fáklya hőterhelése ...Szerintem és tévedés joga fenntartva ![#worship]

fn47xk7ei


remrendes

Kossz, ezt meg ugy nagyjabol ertem is. Akkor aminel a levegoben is gyujt az iv, akkor az a pilot verzio.
Nekem xabi dugattyus feje ami meg erdekes volt.

fn47xk7ei

Hát ha azt megértetted akkor a liftest is mert tök egyszerű - az elektróda hozzáért a fúvókához és indításnál ívet húz mivel a levegő nyomása hátrahúzza az elektródát így még nagyfeszültség sem kell hozzá .

remrendes

Igy mar igen. Ez mennyire stabil mukodesu?

fn47xk7ei

Hááááát ...[#fejvakaras].. Murphy törvénye itt sem vallana kudarcot - de erről Xabi-t kérdezd inkább .

xabi

A pilot gyújtásnak van 2 kábelja a centrál csatlakozóba(azzal újat mondasz nekem hogy gyakorlatilag két kábel ugyanaz, de lehetséges logikusan gondolkodva..). Az Iweld gépnél arra gondolok hogy a liftes gyújtású fej 2 pilotarc kábelt a 8 és 9 pinre kell kötni a centrál csatlakozón. De ha mondjuk a HF-es Trafimet A141 fejet kötöm a gépre annak a 2 pilot arc kábelét mondjuk a 6 és 7-es pinre kell kössem (mert azon van a HF gyújtás). A kötést úgy értem hogy a fejhez vezető kábel centrál csatlakozó apa részén ide oda át lehet kötni a kábeleket (ha szétszeded a csatlakozót). Persze az is lehet hogy ugyanazon a 2 ponton van a Liftes és a HF gyújtás is (de azt már próbáltam és nem gyújtja be a Trafimet A141-et...)

Érdekelne a HF gyújtású gépeknél mi az a szikraköz állítás. Az az igazság hogy volt egy 8 tonnás vágási munkánk 15 mm-es lemezből amit a Trafimet fej már nagyon rossz minőségbe vágott, illetve a kinai gép 3 év után pont ezen munka kezdetekor elkezdte kihagyni a pilotarc gyújtásokat. (az előző 3 évben 1000-ből 999-szer begyújtott). Ezért kénytelen voltam szervizbe vinni a kínait és vettem az IWELD-et. A szerviz valamit csinált a kinaival mert most aránylag jól gyújt megint.

A liftes gyújtás vagy a HF a jobb ? szerintem mindegy, de az Iweld gép és a liftes gyújtás vágási minőségben főleg vastag lemeznél sokkal jobb (ennek nem tudom van-e köze a gyújtási módhoz). Viszont a Kinai gép (180.000 Ft+áfa) és a Trafimet A141 fej kopó alkatrészei olcsóbbak, ár-érték arányba szerintem jobb (végtelen sokat vágtam vele meghibásodás nélkül)

fn47xk7ei

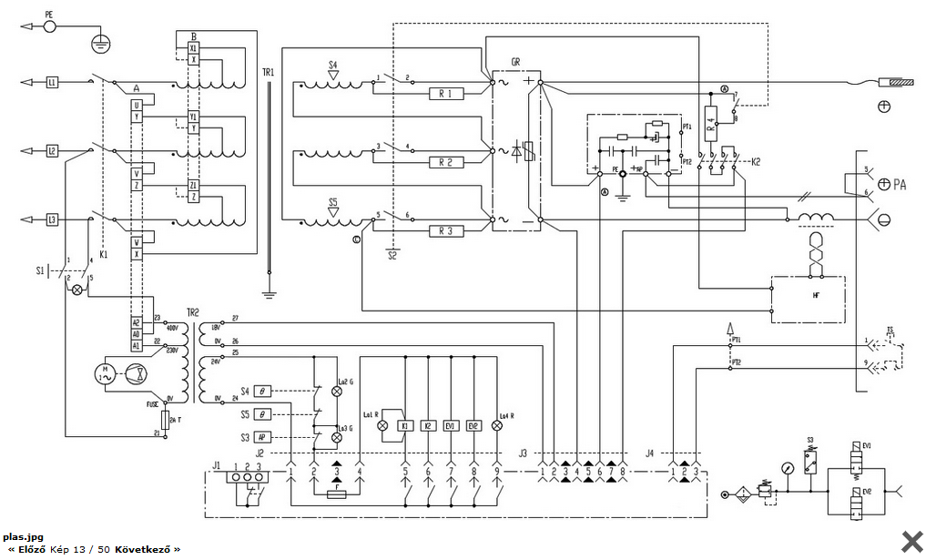
Sajnos még mindig nem értem mit ,hova , miért akarsz kötni .[#fejvakaras] Beteszek egy egyszerű klasszikus plazmavágó rajzot amin talán jobban követhető az áramkör .Ezen látható a pilot áram egy R4-es rezisztoron megyen keresztül amit a a K2-es mágneskapcsoló kapcsol egyszerre a HF-es gyújtással és utána a pilot vezetéken van egy becsatoló tekercs amin keresztül a HF rá van ültetve a pilotáramra majd a centrál csatlakozó 5-ös és 6-os kimenetére van kötve párhuzamosan ( PA). Ekkor ellenőrzésként leveszed a munkakábel centrál dugójának fedelét és leellenőrzöd , hogy az egy vagy két piros vastagabb vezetéke ugyanarra van-e kötve - ha nem akkor kiveszed és áthelyezed . A pilotáram tüskéi pár miliméterrel hosszabbak mint a kapcsoló szál tüskéi . Jelzem nem fontos 5-ös és a 6-oson lenni azaz lehet 6-7-en is csak mindig megegyezzen mert egy tüske terhelve akár beéghet - de lehet pótolni mert hegesztés technikai boltban külön is kapható még aranyozott kivitelben is  .Ezen a rajzon a kapcsolószál az 1-es és 9-es tüskére van kötve de természetesen ez is áthelyezhető arra amelyik jobban tetszik csak ugye megint természetesen az aljzatban és a dugóban is ugyanott kell lennie - mivel csak kapcsoló így tök mindegy a két kapcsolóér közül melyiket kötöd ( jelen esetben) az 1-esre és a 9-esre .

  

fn47xk7ei

Ba.... rossz képet tettem be , bocs . Itt a helyes rajz .

  

fn47xk7ei

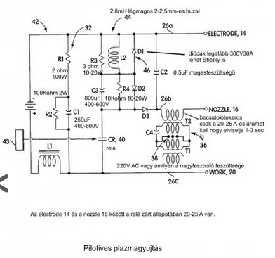
A szikraköz általában így néz ki - de létezik sokkal egyszerűbb változat is de azt nem minősíteném .A  szikraköz mérete határozza meg a Tesla kör frekvenciáját ill. teljesítményét is . Azt meg megint nem értem miért hívod az egyik gépet "Kínai"-nak a másikat meg "Iweld"-nek mikor az Iweld gép is kőkemény klasszikus Kínai gép .[#csodalk]

    

fn47xk7ei

A Trafimet A141-esen is jól látni egy szál piros vezeték a pilot és a két vékony a kapcsolószál . Ugyan nem sok drót van benne de az is be tud robbanni .[#csodalk]