Hírek:

Fontos tudnivalók a migrációval kapcsolatban, kérlek olvasd el:

A régi fórumról áthozott hozzászólásoknál a felhasználó neve adatvédelmi megfontolásokból véletlenszerűen generált értékekre lett  lecserélve. Ez akkor tud a valódi értékre visszaállni, ha az adott felhasználó a régi fórumon nyilatkozik, hogy beleegyezik az adatainak az új fórumra továbbításához, majd ezután itt a régi felhasználónevével és email címével regisztrál.
8~20 óra között, 1~30 percen belül megtörténik a jóváhagyás, 30 percenként ellenőrizd email fiókodat (SPAM-ot is) mindenképp kapsz mail-t, a sikeres regisztrácioról, vagy a hibáról és, hogy mi a teendőd.
Nézd meg  "A régi fórumról, az új fórumra költözés útmutatót."
A régi fórumon használt email címmel de más felhasználói azonosítóval érkező regisztrációs kérelmek törlésre kerűlnek.

Main Menu

Plazmavágó gépek építése

Indította gaben, 2024 április 09, 15:54

Előző téma - Következő téma

Csuhás

Ha volna egy egy visszacsatoló ellenállás, hogy smitt trigger legyen a komparátorból akkor még stabilabb lehetne.

fn47xk7ei

Azt még elfelejtettem megkérdezni : valaki a fórumlakók közül megépítette-e a mach3 kézikönyvben ajánlott thc illesztőegységet ?

  

4va4kwi

Sziasztok!

Up/down vagy step/dir kimenetű thc-t érdemesebb beszerelni? Mach3 lesz a vezérlő, ebből a szempontból elvileg mindegy. Van valami jelentősége melyiket választom?

fn47xk7ei


GPeti1977

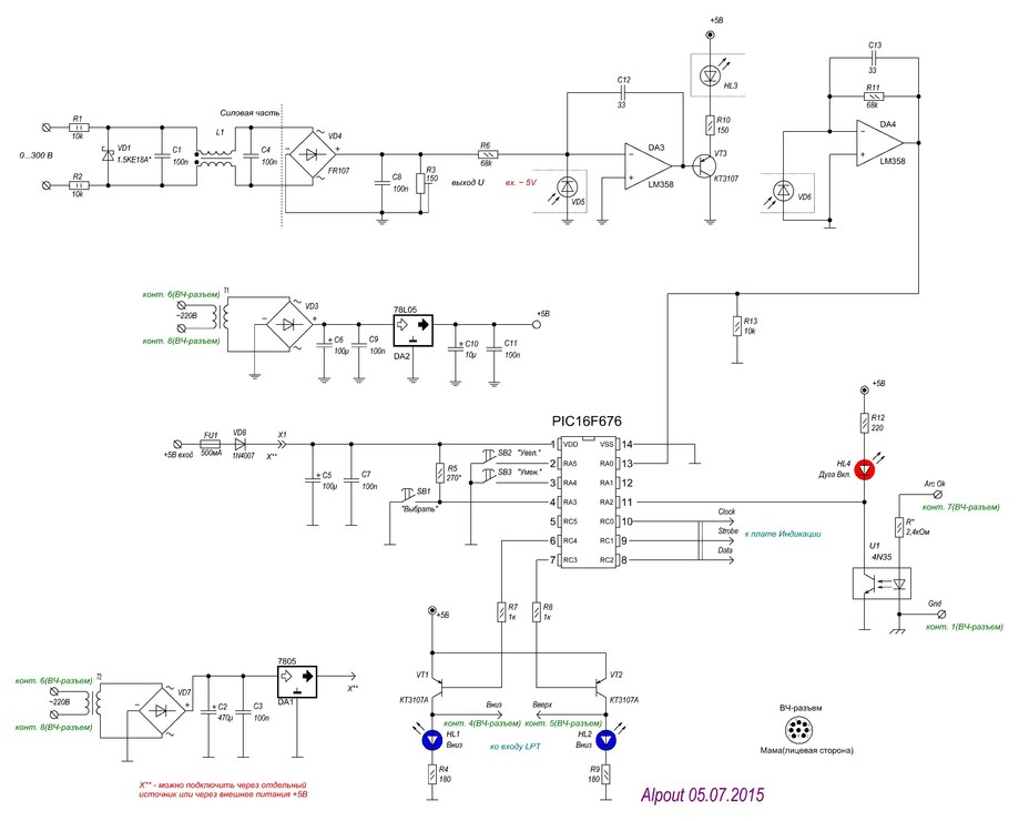
Összeraktam egy plazmavágót, sajnos még nem működik, az alapja a "Maci hegesztő" csak a transzformátor áttétele, nem 3:1 -hez hanem 3:4, azaz átlag 200V vagyis 400Vpp van a kimeneten, van hozzá egy Tesla gyújtókör meg egy logikai vezérlő, a videón látszik mi a baj, nagy nehezen sikerült akkora gyújtó szikrát csiholni hogy begyújtsa a főívet, de ez megszakad, elfújja a levegő aminek a nyomása így is jóval a névleges alatt van, hogyan lehet ez ilyen nagy feszültségnél, ha széthúzom elektródával 5cm hosszú ív sem szakad meg, az áram 20A re van beállítva.

000000000

400 Vpp azaz váltóáramról hajtod a pisztolyt ?

GPeti1977

Nem dehogy a az együtemű forward kapcsolásból következik hogy 50% max. kitöltésű négyszögjellel, abból lesz a fojtótekercs után 200V DC.

000000000

Nem tudom mit kötöztél össze mivel, de ha a 230 voltot egyenirányítod és teszel közé jó pár kW fűtőbetétet már azzal is mennie kell ha van gyújtás.
Érintésvédelmileg kicsit beteg, de működik [#nevetes1]

GPeti1977

Igen így van, mondjuk én egy kicsit bonyolultabb dolgokat szeretem, (a transzformátor ott van a középső hűtőborda alatt).

frob

Szia
hűűű szép darab!!!
Van róla rajzod?
és meg is kaphatom? :)

R.

frob

Hja , közben leesett hogy a maciból építkeztél..
akkor köszi nem kell, azt ismerem :)

fn47xk7ei

A sűrített levegőnek erős hűtőhatása van ezért más egy elektródával ívet húzni ill. plazmapisztolyt begyújtani . Amúgy megmérted műterheléssel , hogy 20A nél hány voltot ad ki az invertered ? Én a fojtó vasmagját is kapásból megdupláznám mert 0 költséggel jár és sokat jelent annak mérete . AWI hegesztő transzformátornál is a fojtó majdnem akkora mint a főtrafó - persze ez csak analógia . Más : mikor mi teszteltük a Kínai plazmavágókat gyakran előfordult , hogy harmadik negyedik sikeres gyújtás után az ötödik-hatodik már sikertelen volt - ennek egyik oka a pilotáramkörben lévő ptc-k megnyúlása volt és ezzel oda akarok kilyukadni , hogy a sikeres gyújtásnak feltételei vannak . Bizony két lehetőség van : vagy "felhízik"  a plazma a HF-es szikra mentén vagy hideg marad - legjobban ez úgy érthető mikor megnézünk például a youtube-n filmfelvételt a nagyfeszültségű vezetékek közötti áthúzást . Egy darabig szépen ég a fáklya a két vezeték között a levegő pedig ott plazma állapotban van . A hő hatására elkezd a fáklya közepe emelkedni és egyre nagyobb az íve azaz a hossza majd végül kialszik magától mert már olyan hosszú lesz hogy kevés a ív teljesítménye a hosszú szakasz megfelelő hőn tartásához . De elnézést a kitérőért mert neked nincs pilot áramod a pisztolyon , hozzáteszem nem lenne nehéz kialakítani ...de mint írtam neked más oka lehet .A HF-es gyújtásod jó szóval én először műterheléssel megnézném a kimeneti áram-feszültség viszonyt és aztán tovább puhatolózni a hiba után . De még egy érdekesség talán - gyári plazmavágó gépekben használják azt a megoldást , hogy 2 mágnesszelepet építenek be a levegő vagy vágógáz körbe és indításnál a csökkentett levegőnyomás kört használják - lásd pld. Cebora prof .

fn47xk7ei

Még elfelejtettem írni a "fojtótekercsnél" - mivel nem teljes hidas a géped így a vasmag duplázása  is segítene talán egy cseppet bár persze ez biztosan nem oldja meg az alapproblémádat .

GPeti1977

Már hypersil vasmaggal, meg kondenzátorokkal is próbáltam, a terhelés teszt amit meg kell csinálni, eddig is volt de csak a hősugárzóm 800W felvétele. 20A estén 100 - 150V alá nem eshet ha jól gondolom.

fn47xk7ei

Gondolom az áramváltót is átalakítottad a plazmavágó áttételének megfelelően mert az alap  "maci" hegesztő váltója biztosan nem jó ide azaz nem megfelelő jelet küld vissza a vezérlőnek .