Hírek:

Fontos tudnivalók a migrációval kapcsolatban, Kérlek nézd meg a Régi fórumról új fórumra való költözés 

Main Menu

Segítség, béna vagyok!

Indította gaben, 2024 április 09, 15:35

Előző téma - Következő téma

hostya

Több topikba már NE írd be..  [#boxer][#falbav]

3vv2btrhv

A torta lemez próbája .nagyon ígéretes .

  

Miki2

Tisztelt Fórumtársak!
Segítséget kérnék a következőkhöz:
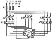
Adott egy 8 férőhelyes szerszám váltó egység,
melyet egy Dahlander motor mozgat. (EMCO eszterga)
A szerszámváltás rendben lezajlik.
Váltás a gyorsabb fordulaton előre forgatva,
majd a lassabb fordulaton vissza ütközésig.
És ekkor minden elenged.
A gondom az, hogy a rev. fej nem áll meg stabilan.
Kellene valamilyen megoldás, hogy a rev. fej ne tudjon menet közban
elmozdulni, illetve, hogy mindíg az ütközőre feszítve maradhasson.
Ennek a megoldásában kérnék valamilyen megoldást.
Köszönöm.

Miki2

Jelenleg így működik:

  

TBS-TEAM

Elektromos fék a motor tengelyére. [#kacsint]
József

Miki2

Sajnos gyárilag nincs rajta.
A szabad hej szűkössége, és a mor tengely hátsó végének hiánya nem teszi lehetővé egy fék felszerelését.
Ventilátor sincs rajta.

Miki2


TBS-TEAM

Mekkora a motor teljesítmény ?
József

TBS-TEAM

József

jani300

Mechanikus reteszelése lehet a fejnek .
Szerintem ott valami kopás lesz a mechanikában (retesz)

Miki2

Ez egy kicsi motor.
Kb 0.5/0.3 Kw.
És fel lehet fogni hajtóműként is.
Ahogy lentebb írtam egy szerszámváltó motorja.
Csiga-csigakerék áttételes.

Miki2

Sajnos semmilyen retesz nincs benne.
egyszerűen csak ütközőig visszaforgat.

jani300

Csak egy ötlet volt ,nem ismerem.
Az oda vissza forgásból gondoltam hogy lazít , rögzít .

farkasl

Sziasztok.
Egy levegőrendszert szeretnék kiépíteni a műhelyben. Nem csináltam még ilyet, és nem vagyok nagy pneumatika szakértő, de van néhány levegős szerszámom. A rendszer csőhossza kb 50 m és  több kiállást tervezek. A kérdés: kiszolgálja-e egy levegőelőkészítő vízszűrő/olajozó az egész rendszert, vagy minden kiállásnál kell lenni egynek.

Előre is kössz a segítséget, László

konvoid

Üdv Mindenkinek!

Ez mi lehet?
A tippem : párhuzamooság ellenőrző.