Hírek:

Fontos tudnivalók a migrációval kapcsolatban, Kérlek nézd meg a Régi fórumról új fórumra való költözés 

Main Menu

Segítség, béna vagyok!

Indította gaben, 2024 április 09, 15:35

Előző téma - Következő téma

dtb

Nekem így fotó alapján gyémántporral bevont vágótárcsához hasonlít nagyon.

Devecz Miklós

Egy kis segítség kellene.

Az alábbi alkatrészeket szeretném összekötni, programból szeretném a DC motor fordulatszámát vezérelni.

Amim van:

BL-MACH-V1.1 Breakout Board

CCM5D PWM fordulatszám szabályozó digitális kijelzővel

795 DC motor

Van valami ötlet, hogy kellene összekötnöm?

      

svejk

Első körben üzemeld be a motort a ccm5d-vel és működtesd.

Mérd meg a poti két szélső lábán a feszültséget.
(ehhez a feszültséghez kell majd illeszteni a breakout 0-10 V-os PWM jelét)

Devecz Miklós

Köszönöm, kipróbálom. Nem mertem magamtól bekötni, annyira nem értek hozzá.
A motor már működött a ccm5d-vel, de át akarom állítani szoftveres módra.

happisusu

Szép estét, Mach 3-ban hogy tudom egy adott mondattól újra inditani a már futott programot ?
kösz Süsü

svejk


Devecz Miklós

Kipróbáltam.

A potméter két szélső ága között 5V-ot mérek.
Most már csak az a kérdés, melyik vezetéket hová kössem?
A poti két szélső ága piros és fekete, a középső sárga.
Melyiket kössem a PWM-re?
A maradék kettő közül rá kell kötnöm valamelyiket a GND-re, vagy a +5V-ra?

Sajnos ehhez már nem értek.

Devecz Miklós

Úgy látszik nincs megoldás erre a kapcsolásra.

Nézzük meg másképpen.

Adva van egy DC motor, milyen megoldással lehet vezérelni PWM-el Mach3-ban a motort?

zozo

Nem müxik?  -No mindjárt csinálok egy skiccet neked, addig nézd meg, hogy hány ohmos a poti.

dtb

Lehet, hogy rosszul értelmezem az általad leírtakat, de te azt irtad, a potméter két szélső ága között... Az szerintem mindig ugyanannyi lesz. Azt a lábat kell bekötni a PWM-re, aminél változik a feszültség, vagy az ellenállás (attól függ, mit mérsz)

zozo

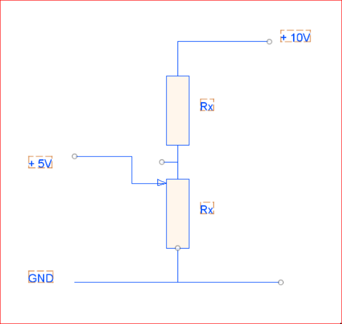
A potit tekerd fel, hogy 5V-ot mérj a közepén. Aztán a +5V
-os szélsőt forraszd le, majd szigeteld a végét. Valószínűleg a piros, de azért nézd meg.

Ugyanakkora ellenállást köss sorba, mint a poti, annak a vége kapja a +10V-ot.

Persze a sárgát teheted a +5V piros helyére is, ha pár K-nál nem nagyobb a poti.

Ha működik, akkor a poti megfelelő végét közösíteni kéne a sárgával, a későbbi kontakthiba kizárása érdekében.

  

zozo

Itt most a +5V a sárgán megy be.

svejk

első körben így:

ebben az esetben a poti max állásánál lesz kivezérelve a motorod, de a potival ezt menet közben tudod lefelé csökkenteni.

A linkelt képed alapján a piros vezeték a +5V de azért ezt ellenőrizd, mert kis Kinainál semmi sem biztos, előszeretettel cserélgetik a színeket.

  

svejk

A zöld kapcsolót meg kiválthatod a breakout kimeneti reléjével.

Devecz Miklós

Köszönöm a segítségeteket.

Délután leszek gép közelben, kipróbálom.