Hírek:

Fontos tudnivalók a migrációval kapcsolatban, Kérlek nézd meg a Régi fórumról új fórumra való költözés 

Main Menu

Segítség, béna vagyok!

Indította gaben, 2024 április 09, 15:35

Előző téma - Következő téma

RJancsi

Dióda? Persze. Már túl vagyunk a macskabajusz pöcögtetésen. [#nyes] Bocs, nem tudtam kihagyni. [#awink] Nem tudom mekkora áramot akarsz kapcsolni (és az is 24V-os-e), de relé és dióda is biztosan van olyan terhelésre ami neked kell.

adamant

cejj cejj :)

igazából kettő mágnes kapcsolót akarok kapcsolni majd ami egy 3F motort fog pörgetni balra, jobbra

Révész Richárd

Ez a 24V jel honnan jön amivel kapcsolni akarod?

adamant

Egy alaplapból ami anno egy DC motort hajtott de szeretném AC motorra cserélni. Ezt kellene valahogy össze hoznom

Révész Richárd

Ok. Ha jól értem akkor ha nincs 24V akkor egyik irányba kell forogjon, ha van 24V akkor a másik irányba.
Mi állítja meg a forgást?
Van még valami engedélyező jel is?

Révész Richárd

Na ezt benéztem.
Látom már az elején leírtad.
Holnap lerajzolom és elküldöm, most már fáradt vagyok hozzá.

adamant

nem nem

ha van jel forog az egyik irányba ha nincs jel áll a motor ha fordítva van a polaritás akkor ellentétes irányba forog a motor ennyi lenne igazából

RJancsi

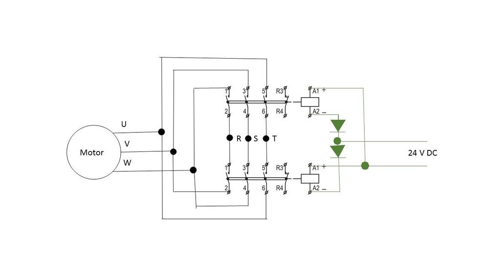
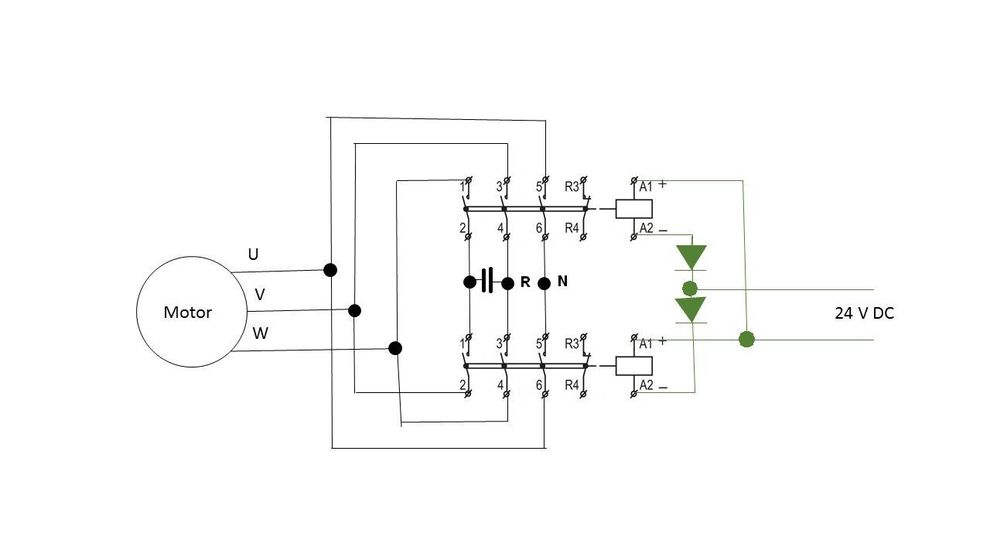
Elnézést a Móricka rajzért, elsőre erre gondoltam. De nem vagyok villanyász, majd a bölcsek megmondják miért nem jó. [#nyes] Addig ne állj neki megvalósítani! Azért álmodtam 3 fázisú mágneskapcsolókat, hogy ha nincs jel egyik fázis se jelenjen meg a motoron.

  

adamant

Na ugyan erre gondoltam mentálisan csak annyi lenne hogy ott csak 1 fázis van és indító kondi is kellene a rendszerbe a motornak. Mágneskapcsoló minden van van a diodát meg majd bontok valamiből

RJancsi


Rabb Ferenc

A mágneskapcsolók segédérintkezőit keresztben sorba kellene kötni a behúzó tekercsekkel. Tudod, az ördög sosem alszik...

Rabb Ferenc

Ja, és ha már DC mágneskapcsoló (vagy relé) akkor a behúzó tekercsek mellé illene egy-egy antiparalell dióda is

RJancsi

Mindkét észrevételed jogos! [#worship] Mondtam, hogy nem vagyok villanyász...[#zavart2][#awink]

s7manbs8

Rajzilag az hogy mutat, már csak mert én is be akarok itt köti pár 100kW.nyi három fázisú cuccot. :)