Hírek:

Fontos tudnivalók a migrációval kapcsolatban, Kérlek nézd meg a Régi fórumról új fórumra való költözés 

Main Menu

Segítség, béna vagyok!

Indította gaben, 2024 április 09, 15:35

Előző téma - Következő téma

5kfiyrw95

Ezek a szenzorok 12-36 voltal működnek csak helyesen az 5V  kevés neki

fn47xk7ei


5kfiyrw95

Igen helyesen irtam ,hasonló tipus mint amiről Csikarc is rakott fel képet LJ12A3-4-Z/BX érzékelésre GND. Pontosan is lemértem: 11,13 Volt esetén ha érzékel akkor a GND értéke 0,0025-0,0030 V .Elmennék hozzád szivesen egy kis eszmecserére de én Vas megyei vagyok ,messze vagyunk egymástól. Egyébként törtem a fejem hogy hogyan lehetne ezekből a tipusu szenzorokból hármat sorba kapcsolni, Az tűnik logikusnak sorbakötéskor hogy az első signal jel kimenetelét a másik fázis bemenetére kötöm a máiskét úgyszintén és igy  ha bármelyik érzékel (GND-re húz ) a többi sem ad áramot.De lehet hogy hülyeséget beszélek...[#nemtudom]

000000000

OK, akkor van benne felhúzó ellenállás gyárilag, ahogy írtam már az előbb. Mérd meg szenzor tápfesz nélkül, hogy a barna és a fekete vezetéknek mennyi az Ohmos ellenállása. Ha jó a rajz, akkor 10K lesz.

Tápfesz alatt pedig úgy is ellenőrizheted, hogy egy 10K ellenállást kötsz a kék és fekete vezetékre, és megméred rjta a feszültséget. Ha 10 K van a szenzorodban, akkor a 11.13 V felét kell mérned érzékelés nélküli állapotban.

dezsoe

Javíts ki, ha tévedek, mert nem akarok hülyeséget javasolni.

Szerintem, figyelembe véve, hogy van az érzékelőkben felhúzó ellenállás, OC kimenetek vannak, a kártya pedig azt várja, hogy GND-re húzzák az 5V-ra felhúzott bemeneteit, egy zenerrel korlátozva simán párhuzamosan lehet kötni az érzékelőket.

  

svejk

Állandóan világítana a visszajelző LED-je, ha nem is teljes fénnyel.

dezsoe

Tapasztalat vagy tipp? Csak azért kérdem, mert nekem az lenne logikus, hogy a visszajelzőt az érzékelő saját belső tápjáról hajtja, mert az fix feszültségű, nem pedig a betápról, ami jelen esetben (pdf szerint) 6-36V.

000000000

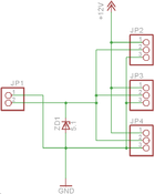
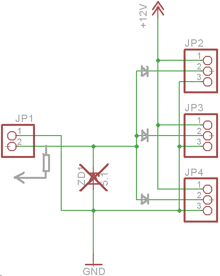
Nem szerencsés ez a mezei kemenet párhuzamosítás.
Így módosítanám a kapcsolásodat, hogy teljesen korrekt legyen és akár 10 szenzort is lásson az input bemenet "vagy" logikai kapcsolatot létrehozva a szenzorokra:
A diódák pl. 1N4148 típusúak lehetnek, az 1K ellenállást pedig +5 V-ra kell kötni a board kártyánál.

  

dezsoe

Igen, ez lett volna a másik ötletem. :) A kártyán belül 11k-val van az 5V-ra húzva, ha az elég, akkor az ellenállás is meg van oldva, ha nem, akkor kell.

B.Zoltán

Sajnos, amit írtam csak akkor lett volna jó ha nincs benne felhúzó ellenállás.
Szomorú, hogy van, de akkor is van egyszerű megoldás, még arra is, hogy három szenzort kössél egy bemenetre.
Diódával le lehet választani a 12V-ot, és akár össze lehet kötni a három érzékelőt egy bemenetre.
Két ellenállással is le lehet osztani a kimeneti 12V-ot, ha nem nagy terhelésre kell kötni.
Itt a videóba 8 percnél hasonló problémával foglalkozik az illető.


ybm4ifb

Sziasztok
Ismeri valaki ezeket az eszközöket?

Elcserélném őket valamire..

    

d30xhrezp

Miért nem raksz miniatűr 12V-os reléket az érzékelőkhöz!
Azok érintkezőjét kötheted sorba-párhuzamosan és nem vágja tönkre az 5V-os bemenetet!

5kfiyrw95

A barna és a fekete között 158K Ohm-ot mérek feszültség nélkül A feszültség alatti mérést egyenlőre nem tudom kipróbálni. Ez több mint amit te irtál. Amit emlitettem Ebay-os elektronika ezzel nem lehetne összehozni valahogy?

  

5kfiyrw95

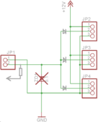
Ugyan nem értek annyira az elektronikához, de készitettem egy rajzot ami számomra logikusnak tűnik. Ebben lát valaki esetleg lehetőséget a helyes bekötéshez. Itt ha bármelyik szenzor érzékel és GND-re húz, akkor a többi szenzor sem fog áramot adni a csatolóra. Az ellenállás értékét kellene kiszámitani. Vagy ez igy túl egyszerű lenne?[#conf]

  

simarex

Szia!
A Nord frekiváltóhoz van kijelző?

köszönöm