Hírek:

Fontos tudnivalók a migrációval kapcsolatban, Kérlek nézd meg a Régi fórumról új fórumra való költözés 

Main Menu

Segítség, béna vagyok!

Indította gaben, 2024 április 09, 15:35

Előző téma - Következő téma

simarex


simarex


izbeki

Ide írj: tibor.izbeki kukac gmail.com

vjanos


f7pbhicb

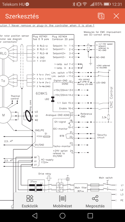
Sziasztok a segitségeteket szeretném kérni adott eggy kollmorgen 60wks anslog servo vezérlő  a hozzá tartozó táppal ,motorral motor csatlakoztatva van a vezérlőhöz a 24voltos és a 10voltos tápegységem megvan a kérdésem az lenne hogy a rajz alapján hogyan kössem be elöre is köszönöm üdv.

  

s7manbs8

Mid van még hozzá, mert ott 24 V jeleket kell kapcsolni ?

f7pbhicb

Potméter, ellenállások kapcsolók  .és arra lennék kiváncsi hogy mit hova kössek köszönöm a válaszod

smalla

hát, őő

be kell kötni a 16-os enable lábat valami kapcsolóval.
a 10-11-es limit switchek nélkül lehet nem megy sehova.
az 1-2-re meg a 0-10 voltot a potival.

És kapcsold szét a motor tengelyét a gépvázról, ha még nem tetted meg. Ne mozgasson semmit, csak saját magát.

jani300

Egy kisflexes kérdés .
Kipörög rendesen ha menetzárlatos a forgórész ?
Kaptam egy 1200 wattosat ,buherált szénkefékkel .
Szétkaptam egy porszívót a szénkefékért , belecsiszoltam .
Fordulatszabályozós volt , csak teljesen feltekerve megy .
A lényeg , túlzottan szikrázik ,de kipörög rendesen .
A kollektor elég koszos , de nincs megégve . Ki is kapirgáltam .
Azt még lehet megsmirglizem ,persze nem szabad tudom .
Lehet az egész nem ér annyit mint amíg ezt írtam :)

s7manbs8


B.Zoltán


jani300


jani300

1400 W
Ebben hol az átverés ?  Ez csak nem ég már le , bagóért .

fn47xk7ei

A márka neve mindent elmond - én környezetvédelmi hulladék adót vetnék ki rá .[#eplus2]

Vetesi75

Mikor rövidzárba megy ekkora teljesítményre korlátoz a hálózati zsinór ellenállása?  :)