Hírek:

Fontos tudnivalók a migrációval kapcsolatban, Kérlek nézd meg a Régi fórumról új fórumra való költözés 

Main Menu

Segítség, béna vagyok!

Indította gaben, 2024 április 09, 15:35

Előző téma - Következő téma

fn47xk7ei

Szerintem meg nem egyszerű mert nagy a felület és ezért nem tudod jól rászorítani . Az FBS szinte biztosan rossz választás mert túl sűrű és nem tudod vékony réteggé szétnyomni és inkább lenne hőszigetelő mint hővezető . A szervizben letisztították a két felületet azaz az előző ragasztó réteget is eltüntették majd Loctite-al vékonyan kenték és préssel szorították össze majd úgy hagyták megkötni a ragasztót .Természetesen az elektronika felületére tettek egy sík szivacsos réteget, hogy a nyomás egyenletesen eloszoljon .A zsír akkor lenne jó ha sok csavarral tudnád összeszorítani . Szóval nem tudom miért nem ragasztod .Így sem valami jó a gép bekapcsolási ideje de FBS-el ragasztva szinte biztosan romlana ez az érték .

fn47xk7ei

Nem tudom a tipusát de lényeg , hogy van . [#smile]

hostya

Ez a tuning tetszik. [#eljen]

Tudsz róla írni bővebben..?  Vagy esetleg egy-két link..

hostya

Nekem is ez volt az első ötletem,(szilikonzsír) DE..

Sajnos a panelon csak egyetlen furat van, és ha rendesen rögzíteni szeretném, még legalább 5db furatot kellene fúrni ahhoz hogy kb. egyenletes réteg alakuljon ki a panel és a hűtőborda között.

Ha ki lenne forrasztva a panel az "alaplapból", akkor nem is kérdeztem volna, de ez a panel a helyén van...

.. és pont a kiforrasztásra nem merek vállalkozni. :(

Így néz(ne) ki a kiforrasztott panel:


Közben túrtam a net-en és EZT találtam.  
Hátha jó lesz..

ecp4rs0md

Köszi a segítséget, közben nekem is jutott eszembe,hogy tudok én is kiszereltet de csak hétfőn tudok utána járni, ha nem jön össze akkor kereslek.

fn47xk7ei

Nem értem mit akarsz fúrkálni - harmadszor meg már nem írom le a mondandómat . Szóval csináld úgy ahogy jónak látod és valamilyen eredmény biztosan lesz . [#nemtudom]Ismerni meg ismerem a 131-est elég sok ilyen panelt vittem be anno a MÉH telepre .

fn47xk7ei

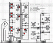
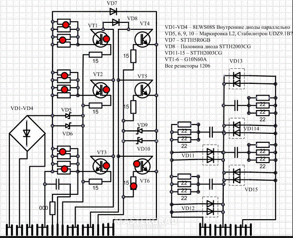
A 20 A-es gyorsdiódákat kell kiváltani .Ezek gyakran megadják magukat . Itt az SMI rajza :

  

hostya

Ez a rajz nekem is meg van..[#wave]

Azt is tudom hogy: "A 20 A-es gyorsdiódákat kell kiváltani"
A diódákat valaki előttem kicserélte.. eredetire..
Ekkor vált szét a panel a hűtőbordától..

A kérdésem arra irányult, hogy: Milyen TÍPUSÚRA lehetne KIVÁLTANI..?? (tuning..) [#integet2]
Ebben szerettem volna segítséget kérni, de hagyjuk...  :(

fn47xk7ei

Nem szétvált hanem javításkor le szokták venni a hűtőbordát a panelről csak az újra ragasztás nem sikerült valami jól . De rendben , hagyjuk - egész nap elbeszélünk egymás mellett .

hostya

"Nem szétvált hanem javításkor le szokták venni a hűtőbordát a panelről csak az újra ragasztás nem sikerült valami jól"
=====
Így igaz..! [#eljen]

Válasszuk szét a dolgokat..
-A panel-hűtőborda szétválás/összeragasztás az egyik kérdés.
-A másik kérdés a #1513 hozzászólásodban mutatott tuning lehetőség..
 
Engem a "tuning" része érdekelt (volna), de arra sajnos nem kaptam választ..[#rinya]

Leírom még egyszer:
"A kérdésem arra irányult, hogy: Milyen TÍPUSÚRA lehetne KIVÁLTANI..?? (tuning..) (-az eredeti diódákat-)
Ebben szerettem volna segítséget kérni"
===========

"egész nap elbeszélünk egymás mellett "

Ne használj többesszámot!
-Én csak kérdeztem.. (tuning ügyben)
-Te viszont nem a kérdésemre válaszolsz, hanem mellébeszélsz.

Ha nem akarod, vagy nem tudod a "tuningolást" (értsd:Eredeti diódák kiváltása más típusra) közzé tenni az a Te dolgod..
Ha nem hát nem...
Remélem nincs harag.. [#integet2]

fn47xk7ei

Azt mondtad "hagyjuk "!Mégis most itt vered magad !Segíteni akartam legjobb tudásom szerint -rosszsz rá !Csak kötekedni akarsz !Simán ki szerettem volna beszélni azt a tuningot is de látszik nem lehet veled tárgyalni !Légy szíves hagyjál békén !

fn47xk7ei

Ja .. és IGEN , HARAGSZOM ![#ejnye1]Legjobban akkor mikor segítő szándékkal szólok valakihez ő meg kapásból már forgatja a szavakat meg vádol - "mellébeszélsz" .[#violent]

hostya

Köszönöm az eddigi segítségedet!
Van egy nagy hibám..
Azt próbálom értelmezni ami le van/volt írva..

Bocsánat hogy élek... [#wave]

fn47xk7ei

Nem érdekel - nem szoktam mellébeszélni , szókimondó ember vagyok .Éljél de most ne mártírkodjál elég lett volna betartani a szavadat ,hogy "hagyjuk" és én sem foglalkoztam volna tovább veled .[#wave]

Csuhás

Átmeneti megoldásként javasolnám a kapcsirajzról leolvasni a dióda típusát, letölteni az adatlapját, majd hasonló feszültségű, megfelelő áramú TOxx tokozású diódát keresni Lomexnél, Farnelnél stb.