Hírek:

Fontos tudnivalók a migrációval kapcsolatban, kérlek olvasd el:

A régi fórumról áthozott hozzászólásoknál a felhasználó neve adatvédelmi megfontolásokból véletlenszerűen generált értékekre lett  lecserélve. Ez akkor tud a valódi értékre visszaállni, ha az adott felhasználó a régi fórumon nyilatkozik, hogy beleegyezik az adatainak az új fórumra továbbításához, majd ezután itt a régi felhasználónevével és email címével regisztrál.
8~20 óra között, 1~30 percen belül megtörténik a jóváhagyás, 30 percenként ellenőrizd email fiókodat (SPAM-ot is) mindenképp kapsz mail-t, a sikeres regisztrácioról, vagy a hibáról és, hogy mi a teendőd.
Nézd meg  "A régi fórumról, az új fórumra költözés útmutatót."
A régi fórumon használt email címmel de más felhasználói azonosítóval érkező regisztrációs kérelmek törlésre kerűlnek.

Main Menu

UCCNC vezérlő program

Indította gaben, 2024 április 09, 16:54

Előző téma - Következő téma

ANTAL GÁBOR

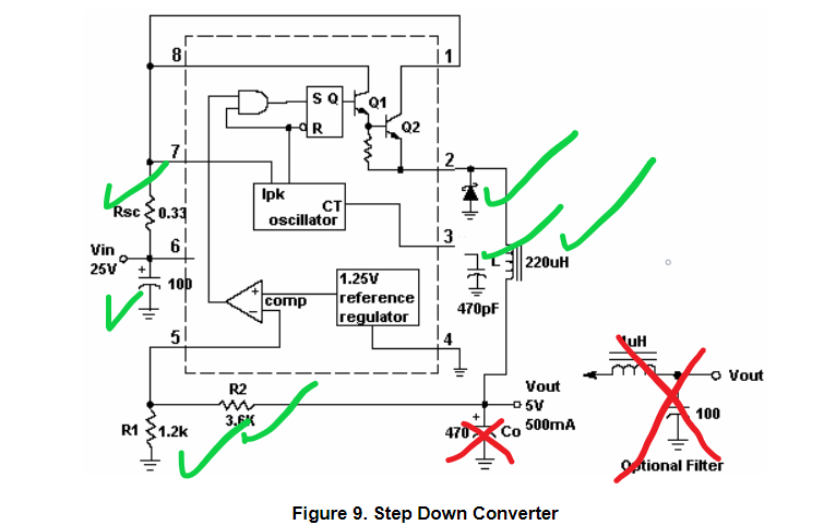
Ok ez megegyezik a gyári step down alapkapcsolással . Annak a terhelhetősége 500 mA   . De hol van a 220uH is fojtó?  mert azt sem találom .
 Azt hogy a kínaiak előszeretettel használják a reverse engineering -et azt már megszokhattuk , de lassan Magyarországon is ez lesz a módi ha valaki valami alapadathoz akar jutni ?  ( vedd meg! szedd szét! , tájékozódj! azután használd !)

TBS-TEAM

Alap kapcsolás majdnem.
A piros hiányzik. [#integet2]

  
József

TBS-TEAM

József

ANTAL GÁBOR

A kimeneti járulékos szűrés hiánya az Ok . De a kimeneti puffer az kell. Az O1 O3 magasságában van két kondi . Az egyik lesz  ( én az UCBB doksijának első lapján lévő fotót tudom nézni.) A komparátor nem kaphat szűretlen feszültséget

TBS-TEAM

Az alap kapcsrajz szerint kerestem. [#eplus2]
Ott 470uF van, itt 220uF/10V.
A kimeneti Zéner helyett meg dióda.

  
József

ANTAL GÁBOR

Magánban leírtam hogy miért dióda ( szabadonfutó dióda )  és nem zéner

TBS-TEAM

József

kr97pwss2

Szia Gábor!
Az UCBB-ben az 5V-os DC kimenetnek ~1A az áramkorlátja, amit a tápegység IC 6-7 lába közt található áramfigyelő ellenállás határoz meg. A segéd 5V az UCBB panelen az 5V-os jelekhez lett kitalálva (pl. Step/Dir jelek motormeghajtóknak)

    

ANTAL GÁBOR

Szia !
 Köszönöm , ez korrekt ( ha az UCBB doksit javítjátok ,- szerkesztitek akkor jó lenne beletenni )
 Mi sem akarjuk másra használni . De 3 mérőléc lámpa árama is terhelné  - nem tévedek , egy gépen van 3 régi Heidenhain léc ami nem infra ledes, hanem lámpás  ( 120mA kell egy lécnek )

Autotec1

Tapasztalt már valaki ilyen hibát?
Uc300 ETH és UCBB jelosztó
IRC 2v0 frekvencia váltó vezérlő

Néhány napja az M7-re kötött oljaszivattúm  megolajozta a szánokat kb 2 liter szánkenővel. (néha programfutás közben kapcsolom, egy kis kenésért)
Gondoltam beégett a kapcsolórelé, ezért kivettem.
Egy komplett hűtővízcsere után kiderült, hogy a UCBB panelon állandó feszültség van az olajzó portján.
Másik port beállít, hibátlanul működik.
Ma a főorsóm kelt önálló életre elindul, kicsit forog megáll újra elindul.
Ha én indítom, akkor megy, viszont, ha egy kis plussz fordulatot adok rá, akkor ő is elkezdi növelni, kis apró lépésekben , ha csökkentem akkor Ő is csökkenti megállásig (közvetlenül az uc300-ra kötve

TBS-TEAM

Első nekifutásnak:
1:Számítógép tápegység ellenörzése.
2:HDD ellenörzése. szektorhibák, gyenge szektorok.
3:Virusírtó futtatása.
4:OP. rendszer ellenörzése.
5:CNC program beállítások mentése, újratelepítése.
6:OP+CNC program Újratelepítés.
József

Autotec1


dezsoe

Mielőtt nekiállsz az említett hat pontnak, érdemes tudni, hogy egyik sem fog semmit befolyásolni. Az UCCNC semmit nem tárol az oprendszerben. Vagy van kapcsolat a mozgásvezérlővel vagy nincs, átmenet nincs a kettő között. Küldd el a beállításaidat (.pro) emilben és megnézem. Biztos, hogy valami hardver probléma lesz egyébként a háttérben. A másik dolog (szánkenés), hogy használj charge pump rendszert, hogy ne tudjon semmi bekapcsolódni, ha nem fut a program.

Autotec1

Megoldódott

Portörlés, és ablaktisztítós lemosás segített!!!
A beépített billentyűzet egérpadja, amit szinte sohasem használok volt a ludas

  

Autotec1

Van valami jó hír az eszterga funkcióval?