Hírek:

Fontos tudnivalók a migrációval kapcsolatban, Kérlek nézd meg a Régi fórumról új fórumra való költözés 

Main Menu

Segítség, béna vagyok!

Indította gaben, 2024 április 09, 15:35

Előző téma - Következő téma

TBS-TEAM

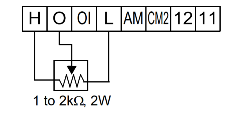
Opcio kod: 16 AT=OFF   analog fesz. vezérlés.
A001=01

    
József

svejk

Az eredeti skiccen jelölt helyre. A"sarokba" nem raktunk.
Végül 260 x 4 mm-eset vettem  a gyakorlatban 3,75-ös volt mire kézhez kaptam.  
No ennyit a százados méretmegadásokról gumi esetén. :)

A beszúrást 4,7 mm szélesre és 2, 75 mm mélyre csináltuk. (plusz ugye a 0,15 mm "S hézag)

TBS-TEAM

Gratulálok [#integet2]
József

svejk

Ugyan...

Jut eszembe, a [#t200p48170#] a válasz továbbra is érdekelne.

TBS-TEAM

József

szabo janko


szabo janko


dtb

Az A011-A015 értékeket nem kell beállítani hozzá? (Min/Max Volt és Freki)

szabo janko

Szia ! Már jó lett. Ha nincs betéve a poti nem lehet a 10 voltot mérni. Már jó lett.

jani300

Kaptam a fiamtóL egy ilyen kártyát , hogy párhuzamos port kártya .
Hát ahhoz szerintem kicsit bonyi , de nem találtunk róla egyelőre érdemi infót .
Ha esetleg tudja valaki mire való ,és meg is osztja , örülnék neki .
Tuti nem használom semmire ,csak kíváncsi vagyok .

    

onagy

Ez egy NUUO SCB5016-os 16 csatornás DVR kártya, 16 kamera csatlakoztatható hozzá, hardveres tömörítéssel videót lehet vele rögzíteni. Megfigyelőrendszerekben használják.
O

jani300

Hoppá !
Köszönöm szépen !

JZoli

Sziasztok. Egy kis segítség kellene nekem. Egy darab 1Nm-es léptetőmotort szeretnék vezérelni számítógép nélkül. Sajnos elég kezdő vagyok ezen a területen. Lenne két nyomógomb amivel vezérelném, az egyikkel "előre" kellene forognia, a másikkal meg hátra. Tudtok  segíteni?