Hírek:

Fontos tudnivalók a migrációval kapcsolatban, Kérlek nézd meg a Régi fórumról új fórumra való költözés 

Main Menu

Segítség, béna vagyok!

Indította gaben, 2024 április 09, 15:35

Előző téma - Következő téma

mex

Sehogy...
Ha már van rajta tacho, akkor kellene is használni.
Nagyon régen, (vagy 35-40 éve) megkerestek egy mosógépmotor más célú átalakításával, konkrétan fogtechnikusi polírgép lett belőle. Rádiótechnika évkönyvből puskáztam a kapcsolást,vagy a 70'-es évek elejéről, vagy azt megelőző évtized végéről való volt... Azóta már sokkal modernebbek is lehetnek. Érdemes lenne az eredeti vezérlőpanelból kimenteni a meghajtásért felelő ic-t, és azzal próbálkozni. Tipikusan TDA1085, vagy hasonló van bennük.

TBS-TEAM

Egyszerű Triac-os szabályzó nincs visszacsatolás nem is kell minek is kéne egyszerű [#nemtudom]
József

Arany János

Csak motor van!!!
Már nem emlékszem, hogy honnan került hozzám!

Arany János

Ha lassul egy kicsit, oda a Jedi-képesség!
De mindjárt kimegyek, és megpróbálok fordulatot mérni! Hátha sikerül mielőtt elrepül![#nevetes1]

g89ketty

mex tanácsa az igazi. Én is 1085-el használok ilyen motort, kalibrált potival. Vagy átalakítod külső gerjesztésűre.[#pias]

Arany János

Lenne ilyen készen is?
Mármint TDA1085-ös megoldás?

Az asszonyt már tudom gerjeszteni kívülről-belülről, ez hogy nézne ki?

g89ketty

Kiszuperált mosógépekből lehet.Én egyenre alakítottam át.Trafóról a gerjesztést, tirisztorossal a meghajtást, fordulatot. Így közel fordulattartó. Sok kísérletet igényel.

TBS-TEAM

József

Arany János

Mértem!
De amikor átlépte a 19000-t, inkább ráhagytam!
Létezhet?
Vagy a mérőm is meghalt?

g89ketty

Hagxd békén az asszonyt! Már vehetsz is panelt, jó szórakozást![#pias]

g89ketty

Igen! Terheletlenül ne pörgesd. Én 15-ig engedtem tahóval.

Arany János

Mi lehet benne a cifraság?
Márminthogy magyarul nem találok?
Idegen nyelven vásárolni olyasmit amit nem is ismerek,egy kicsit zavaró!
Legalábbis nekem!

TBS-TEAM

A cifraság , hogy ku..va sokat kell rá várni jelenleg.
Meg is építheted.

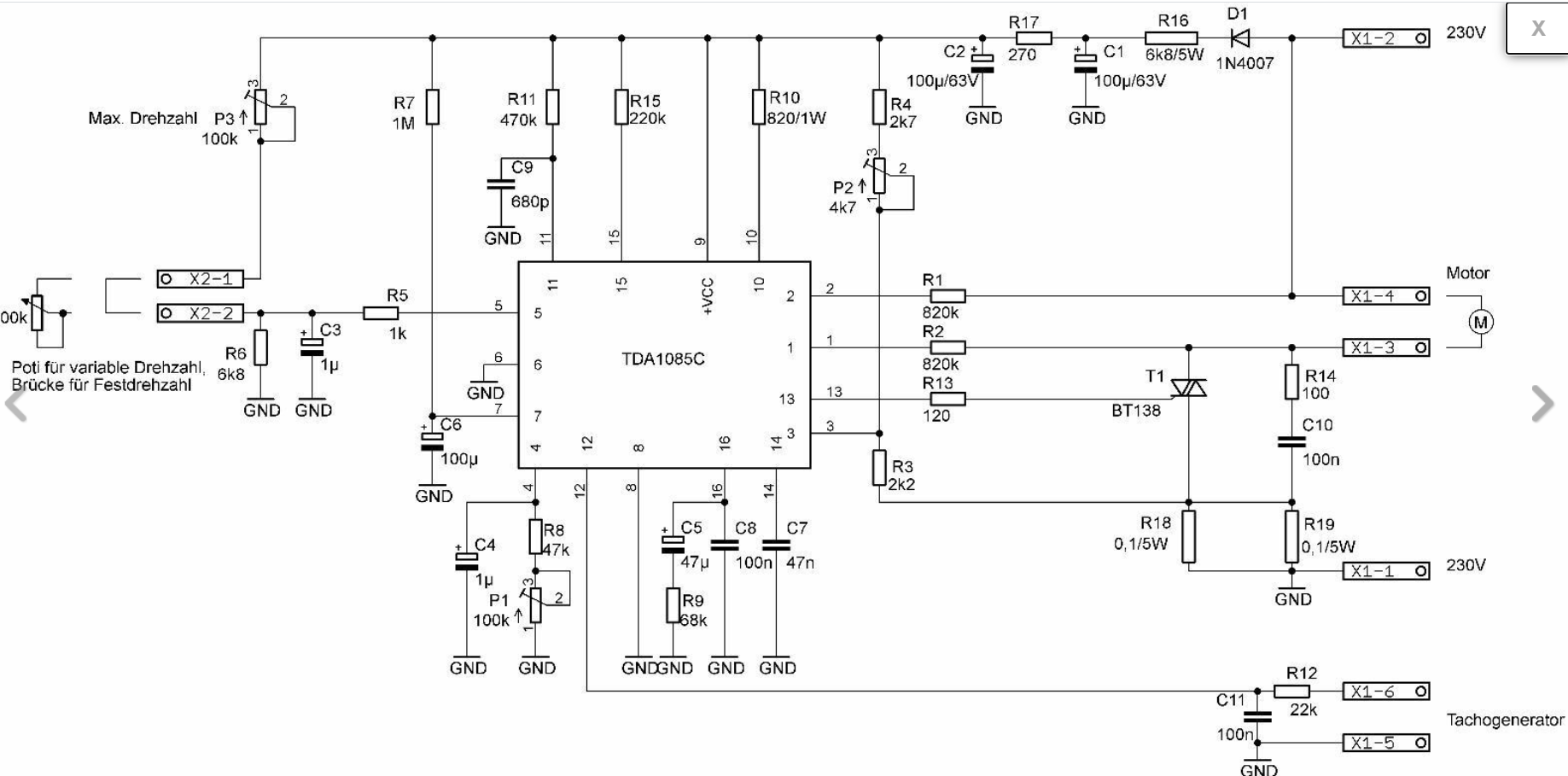
Alkatrész lista:

Kondenzátor:
C1, C2: 100mF / 63V
C3, C4: 1 mF / 35v
C5: 47mF / 35V
C6: 100mF / 35V
C7: 47nF
C8, C11: 100nF
C10: 100 nF / 230V ~
C9: 680pF

dióda:
D1: 1N4007

IC:
IC1: TDA1085

Állítható ellenállás:
P1, P3: 100k
P2: 4k7

Ellenállás:
R 1, R 2: 820k
R3: 2k2
R4: 2k7
R5: 1k
R6: 6K8
R7: 1M
R8: 47k
R9: 68k
R10: 820 / 1W
R11: 470k
R12: 22k
R13: 120
R14: 100
R15: 220k
R16: 6K8 / 5W
R17: 270
R18, R19: 0.1 / 5W

Triac:
T1: BTA24

Csatlakozók:
1 6-pin terminal csatlakozó
1 2-pin terminal csatlakozó

  
József

ezsolt74

Sziasztok.
Lenne egy kis problémám.
Egy 3 fázisú 750W-os IMI motort szeretnék 1 fázisra bekötni munkakondenzátorral.
Most csak egy 20 uf-os munka kondenzátorom volt itthon(holnap veszek egy nagyobbat), a motor épp hogy elindul, de szerintem nem pörög fel teljesen.
Szerintetek jól kötöttem be?
E szerint van a bekötés.
És így van bekötve.

      

RJancsi

Ez a bekötés az eleve egy fázisra tekercselt motort mutatja, tehát neked nem jó!

Neked így kell bekötni:

https://img.index.hu/imgfrm/3/3/7/6/BIG_0014883376.jpg