Hírek:

Fontos tudnivalók a migrációval kapcsolatban, Kérlek nézd meg a Régi fórumról új fórumra való költözés 

Main Menu

Segítség, béna vagyok!

Indította gaben, 2024 április 09, 15:35

Előző téma - Következő téma

RJancsi

Informatikás kérdés. Ha Win10-ben a Chrome van alapértelmezett böngészőnek beállítva, akkor az outlook miért az edge-ben nyitja meg a hivatkozásokat? [#boxer]
Célirányosabban: hol a bánatban lehet beállítani, hogy az outlook felejtse el a retek edge-t? [#nemtudom]

fisrcxuk3

Villanyász kérdés;van egy lefüstölt  üzemanyagkút motorom.Megtekercseltettem,de felhívták  a figyelmem  ,hogy  fázishiány miatt pusztult meg a hatból négy tekercs. Valószínűleg nem tették rendesen helyére a töltőpisztolyt,egy mechanikus , 3 érintkezős, eredeti ,50 éves kapcsoló nem szakított rendesen minden fázist.Nyilván  morgott is  szegény, de a használója nem tudta mire vélni a morgást , magára hagyta.A következő tankoló pár óra múlva jelezte a problémát, már késön...
Hogy ez ne forduljon elő, miféle fáziskihagyás védővel kellene  felszerelni?
Ez egy matuzsálem , nem szeretném szét furni ,faragni.Nem tudom egész nap felügyelni , én reggel nyitom este zárom a fókapcsolót ,de az is az illetéktelenek miatt belül van.

svejk

Mezei bimetálos rendszerű motorvédőnek elégnek kell lennie erre a feladatra.

fisrcxuk3

De az nem csak a túlzott áramot figyeli fázisonként?
Ez eléggé túlméretezett  motor a maga 550 wattjával.Volt már olyan ,hogy lekattant,lezárt pisztoly mellett ment fél órát a motor ,mégcsak nem is melegszik.

TBS-TEAM

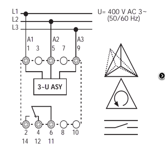
Fázisfigyelő relé a megoldás.

Pl:
Típus 71.31.8.400.2000
3p.71.31.8.230.3022
1 váltóérintkezõ,
10 A 250 V AC (AC1)
Névleges tápfeszültség: 400 V AC
háromfázisú aszimmetria,
fázissorrend és fáziskimaradás figyelése
ASY sárga fázisaszimmetria
DEF piros - fázissorrend, feszültség értéke rossz
ON zöld mérõrendszer aktív állapotú, kimeneti kontaktus bekapcsolt helyzetű

Olcsó 4-5000.-Ft.

  
József

TBS-TEAM

Tracon NARV fázisfigyelő az olcsó [#nyes]
József

svejk

Ha nincs átfolyás (szállított mennyiség) akkor az egyszerű centrifugálszivattyú kevesebbet fogyaszt, azért nem melegedett.

Ha fázishiány van akkor a névleges két vagy akár többszöröse is lehet az áramfelvétel, erre le kell hogy oldjon a motorvédő, persze jól kell beállítani.

(az mondjuk alap hogy eleve kellene lennie ilyen eszköznek az adott motornál)

A lentebb ajánlott fázisfigyelő csak egy plusz szolgáltatás, hőkioldós motorvédőnek akkor is kellene lennie.

PSoft

A leírásod alapján feltételezem...
Ennél az "őskövület" kútnál, még egy mágneskapcsoló sincs beépítve a motor/szivattyú áramkörébe.

Motorikus fogyasztónál -mint ahogy [#66@svejk] is írta- a "fáziskihagyás védő", egy a motor névleges áramára méretezett mezei, bimetálos motorvédő kapcsoló.
Az fogja megvédeni pld. az említett pisztolykapcsoló hibás működése esetén kialakuló túláramtól a motorodat.

A fázisfigyelő szépen/divatosan hangzik, de itt önmagában semmit nem ér, csak "úri huncutság".

PSoft

IdézAz fogja megvédeni pld. az említett pisztolykapcsoló hibás működése esetén kialakuló túláramtól a motorodat.

Persze...hibás a fogalmazás. :)
Nem a túláramtól, hanem a motorra gyakorolt káros hatás kialakulásától fog védeni.

fisrcxuk3

Teljesen logikus amiket írtatok,előkerítek,beszerelek egy motorvédőt, Na meg beszerelem a motort is mert már unják kollégák (meg én is) a kurblizást.. Köszönöm a segítséget mindenkinek.

J-Steel

Számítási kérdésem lenne:
 Egy olyan aszinkron villanymotort, amit a gyártó 380V-on 5,5KW-ra értékelt, 400V-ról üzemeltetve már kb 6KW teljesítményt tud. Ez igaz?

jani300

380 V on is túl lehet terhelni .
Az a kérdés eltudja e disszipálni  a megtermelt hőt .
A motorvédő áramát kell e csökkenteni az érdekes kérdés .

PSoft

IdézA motorvédő áramát kell e csökkenteni az érdekes kérdés .

A motorvédőt, mindig a motor névleges áramára állítod.(ami az adattáblán szerepel)
Ha 380V-ra van megadva a motor névleges árama, ami a példában ~11A körül lehet, akkor 400V-on is arra állítod.

De gondolom, [#4880@J-Steel] "kolléga" ki is tudja számolni a kérdésére a választ.
Inkább csak..."költői" lehetett a kérdése.

szf

Nem.
P(felvett teljesítmény)= 3*U*I*cosφ

jani300

Kb 5 százalékkal emelkedik a feszültség ,az áramot értelemszerűen korlátozva 5százalék teljesítmény növekedés jönne ki (?) .
No de , régi motorok elöregedett szigetelőanyaggal , viszont még "ésszel" méretezve .
Nem ördögtől való szerintem kicsit alámenni a hőkioldó névlegeshez mért beállított áramával .
Tehát nincs az egészen 6 kw .
A kérdésfeltevése persze a szokásos becsali , de nem látom problémának :)
Érdemes lehet erről kicsi diskurálni .