Hírek:

Fontos tudnivalók a migrációval kapcsolatban, Kérlek nézd meg a Régi fórumról új fórumra való költözés 

Main Menu

Segítség, béna vagyok!

Indította gaben, 2024 április 09, 15:35

Előző téma - Következő téma

svejk

De döntesz.
A szervo hivatalból többet tud aztán, hogy ki tudod-e használni? [#nemtudom]

guliver83

Letiltotta a szerver a belépésemet!

d30xhrezp

Sziasztok!
A kérdésem az lenne,hogy SMC servo vezérlővel működtet-e valaki nagyobb gépet. Milyen motor lenne hozzá jó?
Nekem egy kis gépen vannak kis motorral,de szeretném nagyobb motorral kipróbálni. Egy E1N esztergára pl.200w-os motor jó-lenne ,vagy nem éri meg vele foglalkozni.
Előre is köszi a választ.

sufnituning

Van egy trafóm, ami 2 x 36 Volt teljesítménye 300 Watt
az lenne a kérdésem, hogy ha csak az egyik ágat használom, azaz 1 x 36 Voltot akkor a teljesítménye marad 300 Watt?
És az egészséges hogy csak egy ág megy, a másikat nem kötném be.??

kuner

Ebben az esetben csak a teljesítmény felét tudod levenni a trafórol, azaz 150W-ot.

sufnituning


fn47xk7ei

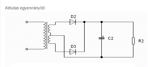
Amennyiben egyenáramra van szükséged kétutas egyenirányítással majdnem az össz 300 W teljesítményt leveheted , már ha egyforma vezetékkel van tekercselve a két szekunder tekercs . De egyforma szekunder tekercs menetszám esetén akár párhuzamosan is lehet kötni két tekercset és ekkor is kivehető a 300 W .

sufnituning

Tehát simán a két szélét (zöld) vezetéket összefogom és a középső fekete lesz a másik pólus, így lehet?
És akkor 300 Wattom lesz?

sufnituning

Helyesebben a két szélső zöldet fogom össze.

fn47xk7ei

Azért elsőre azt kell tudni , hogy mi van ráírva a trafóra . Például előfordulhat , hogy az egyik tekercs 1 A-es a másik pedig 7 A . Akkor már nem működik a kétutas egyenirányítás . De én feltételeztem , hogy egyforma mert akkor szoktak inkább két tekercset 3 kivezetéssel megoldani . Szóval nézd meg mi van ráírva . Amennyiben egyformák akkor mehet a kétutas egyenirányítás .

fn47xk7ei

A két szélsőre kell tenni a diódákat . Amennyiben összefognád a két szélsőt úgy zárlat lenne .

fn47xk7ei


sufnituning

De akkor nem adódik össze a feszültség?
Igen egyenirányítani szeretném.

sufnituning

Már kezdem érteni[#conf]
Mi lenne, ha nem lennél[#nemtudom]
Ja csak nekem graetzom van azt hogyan kötöm rá?

jani300

Hát izé ...
Csak úgy hasraütésre ne kösd össze .
Kérdés hogy vannak kivezetve a tekercsvégek .
Hacsak 3 száll a szekunder akkor valószínűleg középmegcsapolású,és a két szélén 60 volt van .
Ha van négy kivezetés akkor köthető párhuzamosan .
Egy 30 voltos tekercS is leadja a teljes trafó teljesítményt , csak akkor kétszeres árammal lesz terhelve a huzal ,és tartós használatnál leég .
Egy fénykép esetleg a trafó bekötési rajzáról ?
Lehet egyszerűbb lenne .