Hírek:

Fontos tudnivalók a migrációval kapcsolatban, Kérlek nézd meg a Régi fórumról új fórumra való költözés

Kedves Kollégák!

2026.04.18-án szombaton ismét megrendezésre kerül a debreceni Hobby CNC találkozó.
Egy kis nosztalgia, múltidézés, tudás megosztás, és minden ami szokásos volt eddig is a találkozókon.
A változatlanul a korábbi találkozók helyszíne lesz ismét az otthona a rendezvénynek.
Debreceni Képző Központ Nonprofit Kft.
Debrecen Budai Ézsaiás 8/A
 

Main Menu

Mi és hogyan működik

Indította gaben, 2024 április 09, 15:32

Előző téma - Következő téma

PSoft

Nem olyan rég volt szó valamelyik topikban, ezüst/ezüstözött érintkezők tisztításáról.
Ki, hova tenné időben ezt a kis tégelyt?
Esetleg, emlékszik rá valaki?...

Tartalma, a sok évtized alatt bekeményedett, szurok szerű, fekete képződmény.
Alkoholos rongydarabbal "simogatva" a fekete, szurok szerű valami oldódik.
Tesztképpen a rongydarabbal egy húszforintos felületét dörzsölve, láthatólag szuperül működik, ennyi(mennyi?) évtized után is.


















jani300

Ma erre költöttem el a pénzem, 60 kiló.
Van benne szép nagy toroid, lánccal valami szervó szerűség tekeri. Majd bele nézegetek, csak sajnos nem volt rá időm.

    

PSoft

Mi a terved vele?

Vagy csak úgy...:)

jani300

Meggazdagszom a belső szerveiből :)
Nézegetni , találgatni hogyan működött .
Ha meguntam , eladom , ha tudom :)
Érdekesen működhet ,fogalmam sincs mit csinál a toroid és a trafó benne . lassan belenézek , nem találtam a neten eddig semmit róla .

Szalai György


PSoft

Ez, nagyon hasonlít a szerzeményedre!:)

Az enyém, ilyen volt...
Már nagyon rég "boncasztalon" végezte.

újrahasznosításra került belőle:

-1db. kb. 1000VA-es toroid.
-1db. kb. 60cm hosszú "biciklilánc", a két lánckerékkel.
-a serleges AC szervómotor azóta is lapul/porosodik valamelyik polcomon.:)

PSoft

Gyuri, fürgébb volt, mint én.:)
Így jár, aki...tökölődik az írással.:)

jani300

Köszi ! Rajz jó lett volna .
A sok kivezetésű trafó az biztató , ezt nem kell majd kirezelni remélem :) A 45 A , és a  10 KVA az azért már valami . Meg hogy van benne 60 kiló anyag . Valószínűleg nincsen BI-je , de még ventilátora sem .
A kis vezérlő motorra kíváncsi vagyok .

sasi

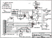
Van egy kapcsolási rajzom, igaz nem pont a te AC stabilizátorodnak a rajza, de adhat némi eligazítást a működésére.
A típusa EMG 2895, 2,5/5 kVA, működőképes és fölöslegesen foglalja a helyet a polcomon...

        

jani300

Köszönöm a rajzot . Az elv ugyanaz lehet .
A sima trafó akkor nem annyira használható , ez nem jó hír . Lehet csak rézbánya lesz mégis :(

sanyi84

2 év forgácsoló üzemben... Már csöpögött az olajos matéria a gép tápjából. Hol indult hol nem. Ledobtuk én meg hazahoztam és kapott szintetikus hígítót, féktisztítót és a végén pici denszeszt.

Majd pár nap mulva összepakolom.

      

000000000

Takarítás előtt és utána.
Mezei vízzel aztán sűrített levegővel ki lett fújva és pár nap száradás és újra működött.  
Minden mindegy alapon, mert volt belőle egy kazallal.  
Koszosan meg mindenféle anomáliát adott elő, csak működni nem akart rendesen.

    

PSoft

"mezei" vizet...honnan sikerült szerezned a művelethez?
[#nevetes1]

svejk

Kicsi az esélye, hogy ettől megjavul.
Az emulziógőz és por valóban irtó módon elcsúfítja a panelokat, de a gyakorlat azt mutatja, hogy  a működőképességet nem befolyásolja.
Esetleg a hőleadást rontja.

A szervizek mindig elmossák a panelokat de ez is inkább csak dekoráció illetve ki a franc szereti fogdosni a trutyit, meg nem olvashatóak az alkatrészek.