Hírek:

Fontos tudnivalók a migrációval kapcsolatban, Kérlek nézd meg a Régi fórumról új fórumra való költözés

Kedves Kollégák!

2026.04.18-án szombaton ismét megrendezésre kerül a debreceni Hobby CNC találkozó.
Egy kis nosztalgia, múltidézés, tudás megosztás, és minden ami szokásos volt eddig is a találkozókon.
A változatlanul a korábbi találkozók helyszíne lesz ismét az otthona a rendezvénynek.
Debreceni Képző Központ Nonprofit Kft.
Debrecen Budai Ézsaiás 8/A
 

Main Menu

Alkatrészek beszerzése és szolgáltatások igénybevétele

Indította gaben, 2024 április 09, 16:47

Előző téma - Következő téma

ibudwmwah

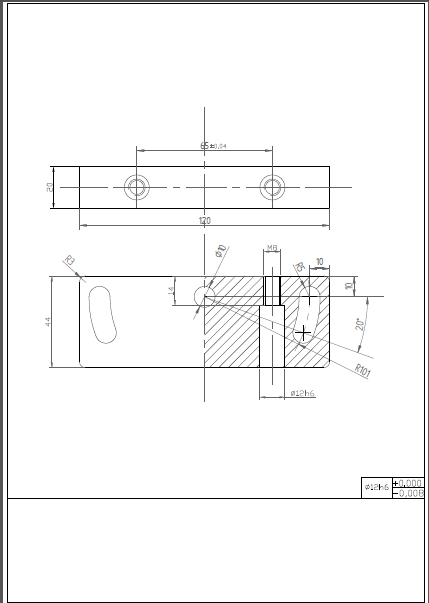
Sziasztok!

Érdeklődnék, hogy lenne-e valaki, aki az alábbi alkatrészt valamilyen fajta alumíniumból le tudná-e nekem gyártani?

Ebből 2 db kéne és ha lenne rá jelentkező akkor ezenkívűl lenne még 1-2 egyszeűbb alkatrész is, de egyenlőre csak erre szeretnék árajánlatot kérni. Az lenne a legjobb ha az anyagot nem nekem kéne adni, de ha nagyon muszály akkor megpróbálok szerezni.

Az ajánlatokat akárhova írhatjátok.

Előre is köszönöm.

  

3857d67m

Sziasztok

Rozdamentes varrat nélküli csövet keresek
kb. 80x3-as méretben 40 cm hosszban.
Hol kapható ahol darabolják és nem kell
belőle többet megvenni.
Előre is köszönet.

D.Laci



k0iuitfzy

Sziasztok!

Mosonmagyaróvárról szeretnek elhozatni egy csomagot. Nem jár arra valaki mostanában? Már Hatvan vagy Füzesabony végállomás is nagy segítség lenne. Egy csocsó asztalt szeretnék elhozatni a fiamnak. Fuvarköltségbe persze beszállnék.

Üdv: Lóri

sunraw

Sziasztok!
Egy ilyet, ki tudna nekem vágni valaki, 1mm-es rozsdamentes lemezből?

  

sunraw


000000000

Sajnos, kivágni nem tudom, de lenne egy kérdésem.
Milyen betűtípus ami a táblán van?

ab

Helló!

Vízvágó rendelkezésünkre áll. Viszont idén már nem dolgozunk. Amennyiben idődbe belefér, tudunk árajánlatot küldeni. Alapanyag is rendelkezésre áll.
Tervezéstől a kivitelezésig. Alkatrész-, gépgyártás, automatizálás.

gg58bmmp2

Kompresszor vásárlás előtt állok.
A régi 20000 forintos praktikeres csak 15 évet bírt.

https://barkacsgep.co.hu/termekek/kompresszorok,-kieg%C3%A9sz%C3%ADt%C5%91k/hyundai-hyd-50f-50-literes-8-bar-olajmentes,-csendes-kompresszor-detail

Ezt nézegetem, de nem igazán ismerem, akinek van hasonló, jól jönne egy vélemény.
A csendesség miatt esett erre a választás, de valyon ez is kibír 15 évet? (persze nekem is ki kéne bírni azt a tizenöt évet)
Más véleményt is elfogadok, de méretben teljesítményben, ezt a katagóriát keresem.

Főleg festésre használnám, de van egy-két levegős cuccom is.

RJancsi

Ha a 20 e forintos 15 évet bírt ki, a 70 e forintosnak több, mint 50 évet kell tudnia. Tiszta matematika! [#nyes]

Szalai György


ywathzay

Csendesnek biztos csendes, de a levegőfelhasználás mennyisége szabja meg, hogy mekkora teljesítményű kompresszor kell. Ha elég a leírt 204liter (de az biztos nincs annyi) ....

remrendes

Ha veletlen veszel, legyszives oszd meg a velemenyed rola. En a 3x2 hengeres verziojat neztem, szinten a hangja es az olajmentessege miatt. A Metabotol lattam meg ilyen olajmentes verziokat egy kicsivel tobbert.

gg58bmmp2

Ma megmutattak egy kéthengereset működés közben, a csempézett szobában működése közben lehetett beszélgetni.
Tehát tuti, hogy csendesebb a gagyi kompresszoroknál.