Hírek:

Fontos tudnivalók a migrációval kapcsolatban, Kérlek nézd meg a Régi fórumról új fórumra való költözés 

Main Menu

Segítség, béna vagyok!

Indította gaben, 2024 április 09, 15:35

Előző téma - Következő téma

jani300

Tos sn 63 eszterga gépkönyve esetleg van valakinek ?

Az nn típusú vezetőcsapágy mérete érdekelne mert az enyémben kapott a csapágy , lehet van csapágyam akkor beépítem inkább :)

svejk

Kezeleszőszervekhez kellene csinálnom kis táblácskákat feliratokat.
Gondoltam maradnék a hagyományos gravírozásnál.
Egyszerű fehér alap, fekete betűkkel megfelelne.

Kitől és melyik típus ajánlott az ilyen feladatra?

Szalai György

Talán a konkrét gép ismeretében utána lehetne keresni, hogy vonatkozik-e erre szabvány előírás. (Betűtípus, betűméret.)
Nehéz olyat elképzelni amire ma nincs előírás.
De biztos nem ugyanaz mindegyik gépre.

Szerelő

Nincs elvárt betütípus vagy méret.
Az elvárás az, hogy egyértelmüen azonosítható legyen a
nyomógomb,kapcsoló, vagy jelzőlámpa funkciója.
Egyedül a vészstop nyomógombokra van előírás.

designr

Szerintem a műanyag lap tipusára kiváncsi..másfajta jó lézerhez és lehet van olyan amelyk csak gravírhoz való..

TBS-TEAM

Rowmark
Mi ezeket használjuk [#vigyor0]

    
József

Szalai György

Több rétegű műanyag lemezből van választék.
Meglepne ha PSoft vagy janko nem rendelkezne némi készlettel.

PSoft

Nem okozok meglepetést...
Némi készletem valóban van belőlük. :)

B.Zoltán

Esetleg tudna valaki segíteni?

Ezt a MOTIP poliészteres gittet lehet-e hígítani egy kicsit valamivel? Gondolom ha lenne poliészter gyantám, azzal lehetne. Kicsit szeretném hígabbá tenni, hogy fecskendőből kényelmesen ki lehessen nyomni, és a kötési szilárdsága se romoljon túlságosan.

  

sufnituning

A parkettalakk hígítót próbáld meg, elég drága, kb 4eft/liter

B.Zoltán


sufnituning

Holnap megnézem milyen van nekem, mert ha jól emlékszem, az jó volt hasonló hígításokra, mert van többféle is ezekből a parkettalakk hígból.

Miki2

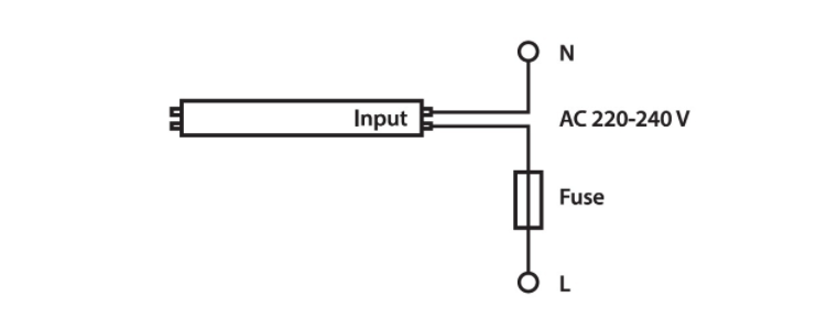
Szervusztok!
Segítséget kérek egy eleminek számító dologban.
Vásároltam egyenlőre 2 db SPLIT T8 TUBE LED lámpát.
A hagyományos 120 cm-es fénycsöveimet szeretném kicserélni a műhelyben.
Megnéztem a neten, hogy miként kell átalakítani az armatúrát,
megcsináltam egy oldali és két oldali táplálással.
Teljes katasztrófa, rövidzár mindkét esetben.
Vajon mit rontottam el egy ilyen egyszerű dolonál.
Már sokszor átnéztem a vezetékelést, -nem sok a tévedési lehetőség- minndent rendben találtam.
A "CSŐ" mindkét végén 0,12 ohm ellenálleást mérek a tüskék között.

Köszönöm a segítséget.

gaben

A LED csöveket csak egy oldalt lehet és kell megtáplálni, a másik felével rövidzárlatba viszed a hálózatot.
Rá is van írva a csövekre egyébként, hogy melyik a táp oldal.

TBS-TEAM

LED fénycső bekötése

  
József