Hírek:

Fontos tudnivalók a migrációval kapcsolatban, Kérlek nézd meg a Régi fórumról új fórumra való költözés 

Main Menu

Segítség, béna vagyok!

Indította gaben, 2024 április 09, 15:35

Előző téma - Következő téma

csaba2008

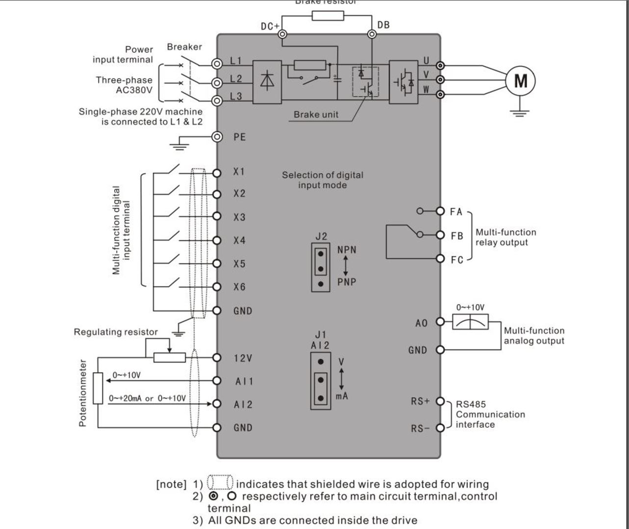
Ez elég a bekötéshez?Köszönöm

  

csaba2008


TBS-TEAM

F0.0 =1
F0.2 =1
F1.7 =4 előre  X1-GND
F1.8 =5 hátra  X2-GND

Külső poti a rajz szerint.
József

csaba2008

Köszönöm a választ,de nem értem pontosan.A potinál nem baj ha 12v a kimenő fesz és nem 10v?
Így jó a beállítás?
F001= 1
F002= 1

F1.7 =4 előre  X1-GND
F1.8 =5 hátra  X2-GND
Ezt nem értem ?

        

TBS-TEAM

Ott a rajzon amit felraktál a potméter bekötésénél kell egy ellenállást sorba kötnöd Regulating resistor.
Attol függ az értéke, hogy milyen értékű a poti.

A leírás amit becsatoltál a szerint:

F001 =1
F002 =1
F044 =2  X1-GND előre kapcsoló
F045 =3  X2-GND hátra kapcsoló
J1 Voltra átteni a jumpert.
J2 ahogy a képen.
József

Szalai György

Segítség!
Holnap ékléc beállító hernyó csavarokat kéne vennem.
Azt már kitaláltam, hogy a régi sliccesek helyett a modern BKNY orros hernyócsavar kéne nekem DIN 915 ISO 4028 M5x30.
Találtam is.
Na de mi az, hogy 45H csavar minőség? (Nem ehhez vagyok szokva, hanem 8.8 stb minőségjelhez.)
Esetleg a keménysége Hrc-ben?

Rabb Ferenc


msas

Ezt találtam:
Hernyócsavarok szilárdsági osztálya 14H-tól 45H-igA CSAVAR/ Kötőelem anyagminőségekMechanikai Szilárdsági osztály1)14 H22 H33 H45 HVickers keménységHVmin.140220330450max.2903004405601)14H, 22H, 33H anyagszilárdság nem alkalmazható belső kulcsnyílású hernyócsavarokhozDIN 916 vágóélDIN 913 tompavégDIN 916 hegyesvégDIN 915 csaposvégHol lehet fontos a csapos

Szalai György

A három hernyócsavar csapjai bele illeszkednek az éklécen lévő zsákfuratokba. Nem engedik elcsúszkálni az éklécet.

GPeti1977

Egy ismerősöm megkeresett, hogy elromlott a PYE160S NDK gyártmányú prés gépe. Megnéztem tényleg össze-vissza megy, illetve nem megy. Van benne 5 mágneskapcsoló, meg 3 időrelé; az egyik bekapcsolási késleltető egy trinátron csővel(!) -nem tudom mi funkciója van- 3 fázist kapcsol a  bekapcsolás után olyan 10 másodperccel. Van két relé egyiket ha behúzom felfelé megy a prés, másikat ha behúzom lefelé, ha nincs meghúzva a prés egy helyben áll, a két relé keresztbe van kötve, így egyszerre nem húzhatnak meg. Ami ilyesztő hogy ha a felfelé menő relét 3 másodpercnél tovább bent tartom akkor már hiába engedem el, a présgép megy felfelé, csak akkor áll le ha leállítom a motort, vagy egy pillanatra behúzom a lefelé relét. A felső végállás kapcsoló sem kapcsolja ki, van rajta 3 végálláskapcsoló egy fent (de nincsen biztonsági végállás ami lekapcsolná a gépet, illetve vészgombot sem láttam rajta) illetve 2 lent.

Tudna valaki segíteni hogy mi lehet a baja?

Valószínűleg csak valamelyik relé kontaktos, illetve már az sem biztos hogy előtte tökéletesen működött.
Illetve gondoltam hogy beleraknék egy PLC-t elvégre nem egy bonyolult vezérlést kell megvalósítani, a végállásokat kell kezelni, a két start gombot, kimenetként pedig a munkahenger mozgató 2 mágneskapcsolót, illetve felszerelni egy vészgombot. Van még rajta két többfokotatú kapcsoló az üzemmódokat vált pontosan nem tudom miket, mert nem láttam még ilyen gépet működni, illetve lábpedál meg egy poti is van rajta.

ra8nsmk6w

Nem cseréltek rajta forgás irányt ( fázis csere?)
Nem plc én vele. H ez a berendezés jól müködik akkor még 30 évig biztos jó lesz. Én az alap helyzeti segéd érintkezőket és a végállás kapcsolokat nézném meg. Valamint ezek vezetékezéseit.

GPeti1977

Méregettem a reléket van mind kapocsol, de mintha már el lenne kopva az érintkezője az egyik relének.

ra8nsmk6w

Ha az a gép valóban NDK akkor azokat a mágneskapcsolókat érdemes lenne kicserélni. (Nekem nem voltak szimpatikus alkatrészek sosem) ettől még működhet akár még most is.
Kerestem rajzot, de nem találtam csak néhány fényképet ami vajmi kevés a javitáshoz. A jó hir az, hogy nem egy bonyolult áramkör amit nem lehetne életre kelteni.
A bizonytalan működés valami rossz kontaktra utal ami kimérhető. Ez akár egy laza csavaros kötés is lehet.

GPeti1977

Ganz mágneskapcsolós, de igy nézne ki egy gyári szerelés?

  

PSoft

Idézde így nézne ki egy gyári szerelés

Nem!
Viszont, így szokott kinézni egy dilettáns gányolása. :(