Hírek:

Fontos tudnivalók a migrációval kapcsolatban, Kérlek nézd meg a Régi fórumról új fórumra való költözés

Kedves Kollégák!

2026.04.18-án szombaton ismét megrendezésre kerül a debreceni Hobby CNC találkozó.
Egy kis nosztalgia, múltidézés, tudás megosztás, és minden ami szokásos volt eddig is a találkozókon.
A változatlanul a korábbi találkozók helyszíne lesz ismét az otthona a rendezvénynek.
Debreceni Képző Központ Nonprofit Kft.
Debrecen Budai Ézsaiás 8/A
 

Main Menu

Alkatrészek beszerzése és szolgáltatások igénybevétele

Indította gaben, 2024 április 09, 16:47

Előző téma - Következő téma

Csuhás

Amit eddig csapágyboltokban találtam az D14*15 görgő volt amiből leesztergálni elég keserves munka.

Viszont támadt egy alternatív ötletem. A gondom az hogy az évtizedek alatt a golyók egy kis árkot nyomtak a sín felületébe ezért a köszörűgépem asztala 7 századdal alacsonyabb középtájon mint a széleken. A dolog általában nem zavaró de ha síkot köszörülnék akkor már sok ez a hiba.
Szóval azt találtam ki hogy marógép asztalán egy szupport köszörűre felfogok egy ideiglenes vezetőt és a pálya golyók által nem érintett részét referenciának használva, azaz azon csúsztatva a golyónyomokat beköszörülöm egy egész hosszon egyforma árokká. Nagyjából 0.05mm kellene így a széleknél beköszörülni. A felújított pályán azután maradhatnának a golyók, jó pár évig újra pontos lesz a gépem.

svejk

A 14x15-ös görgő bőven kezelhető méret a 40 darabbal kerámia vagy CBN lapkával gyorsan végeznél vele.

Csak legyen fordulat, a legvégén a pár mm-es pöcsöt meg egyszerűen leköszörülöd.

AlbertR

Sziasztok!
Keresek hegesztőpálcát ER21 kék dobozos régi Csepel Művek
gyártmányt 2-2,5mm átmérő. Ártól függően 5-10Kg-ot.
Ajánlatot privátban kérem! Köszönöm!
Üdv: AlbertR

KucseraP

Kedves Fórumtársak,

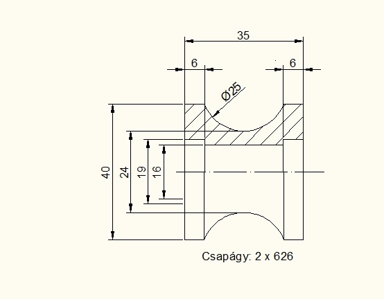
Keresek valakit aki el tudna készíteni nekem néhány görgőt, mely hasonló a csatolt rajzon láthatóhoz. Az anyag lehet Alu vagy danamid (amelyik egyszerűbb). Első körben 4 görgőről lenne szó egy prototípushoz. Ha találnék megfelelő szakit, sok ilyen ötletem van, lenne még megbízás. Ha valaki jelentkezne, kérem írjon egy kb árat a csatolt görgőre. Köszönöm.

  

KucseraP

Köszönöm, már csinálják! Hirdetés tárgytalan.

ANTAL GÁBOR

Tökéletesen egyetértek de a pöcs helyett a "pucnit "
( nincs betűhiány !  ) írnám [#vigyor4]

ANTAL GÁBOR


izbeki

Sziasztok!
Pici golyóscsapot keresnék, aminek minden alkatrésze műanyag.
Valakinek van ötlete, hogy hol lehet ilyet beszerezni?
Ide írj: tibor.izbeki kukac gmail.com


Szalai György

Esetleg mezőgazdasági boltban, öntöző rendszerhez.
Vagy pneumatika boltban levegőhöz valót.

izbeki

Ide írj: tibor.izbeki kukac gmail.com

MoparMan


jani300

Akartam egy tanácsot adni valakinek ,de eltűnt minden :)
Ok megírom magánban ,csak még az is gond volt kinek írjak , de beugrott .

4ybj8h3c8

Minek? Bocs, de nem süllyedek bele a birkanyájba ahol a szent teheneknek lehet azt amit normális halandónak újra kéne próbálni.
Megoldom máshogy.

csakyt

Maróst keresek Budapesten aki egy 10mm-es  vaslemezbe, furatokat tud marni.