Hírek:

Fontos tudnivalók a migrációval kapcsolatban, kérlek olvasd el:

A régi fórumról áthozott hozzászólásoknál a felhasználó neve adatvédelmi megfontolásokból véletlenszerűen generált értékekre lett  lecserélve. Ez akkor tud a valódi értékre visszaállni, ha az adott felhasználó a régi fórumon nyilatkozik, hogy beleegyezik az adatainak az új fórumra továbbításához, majd ezután itt a régi felhasználónevével és email címével regisztrál.
8~20 óra között, 1~30 percen belül megtörténik a jóváhagyás, 30 percenként ellenőrizd email fiókodat (SPAM-ot is) mindenképp kapsz mail-t, a sikeres regisztrácioról, vagy a hibáról és, hogy mi a teendőd.
Nézd meg  "A régi fórumról, az új fórumra költözés útmutatót."
A régi fórumon használt email címmel de más felhasználói azonosítóval érkező regisztrációs kérelmek törlésre kerűlnek.

Main Menu

AC szervó motoros vezérlés

Indította gaben, 2025 február 03, 18:08

Előző téma - Következő téma

őrülT-Tudós

Üdv, eddig csak léptetőmotorokkal foglalkoztam, de most szeretnék egy kicsit fejlődni és elindulni az ac szervók világában. Ezért Ac szervo szakik segítségét kérném. Sikerült jó áron hozzájutnom egy Sanyo Denki Sanmotion Q szetthez. Lenne valaki aki tudna segíteni az elindulásban? [#help]

SANMOTION Q pdf

Vezérlő: QS1A05AA
Motor:    Q1AA10150HXSYM


    

őrülT-Tudós

Ismét én.. [#vigyor] Próbálok amatőrként nemi infót kibogarászni a használati utasításból. Nem tudom, hogy járható út-e illetve reális-e ami kezd körvonalazódni bennem. Az angolomban igencsak vannak hiányosságok így jó lenne egy kis visszaigazolás. Tehát:
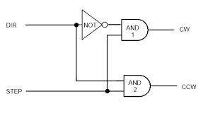
Position control mode-ban a szervó vezérlő CW és CCW impulzusokat vár. A mozgásvezérlő csak step/dir jeleket tud küldeni. Lehetséges ezt valamilyen módon megfelelően párosítani? Esetleg teljesen tévúton járok? [#conf]

    

őrülT-Tudós

Ismét én.. [#vigyor] Próbálok amatőrként nemi infót kibogarászni a használati utasításból. Nem tudom, hogy járható út-e illetve reális-e ami kezd körvonalazódni bennem. Az angolomban igencsak vannak hiányosságok így jó lenne egy kis visszaigazolás. Tehát:
Position control mode-ban a szervó vezérlő CW és CCW impulzusokat vár. A mozgásvezérlő csak step/dir jeleket tud küldeni. Lehetséges ezt valamilyen módon megfelelően párosítani? Esetleg teljesen tévúton járok? [#conf]

    

TBS-TEAM

Tévúton jársz. [#kacsint]
10-33 oldalt tanulmányozd. [#nevetes1]
József

TBS-TEAM

Tévúton jársz. [#kacsint]
10-33 oldalt tanulmányozd. [#nevetes1]
József

őrülT-Tudós

Köszönöm, akkor ezek szerint tud step/dir-t is fogadni. [#worship] A helyes beállításokhoz lesz szükségem PC csatlakoztatására? Sajnos programozókábelem nincs hozzá..

őrülT-Tudós

Köszönöm, akkor ezek szerint tud step/dir-t is fogadni. [#worship] A helyes beállításokhoz lesz szükségem PC csatlakoztatására? Sajnos programozókábelem nincs hozzá..

TBS-TEAM

Be tudod állítani a saját kezelőfelületén.
Step-Dir PA400 2 paraméter.

  
József

TBS-TEAM

Be tudod állítani a saját kezelőfelületén.
Step-Dir PA400 2 paraméter.

  
József

Gyárfás Attila

Sziasztok
Tudnátok segiteni beárazni a képen látható motort?
Köszi

          

designr


fek97kft

Segitséget szeretnék kérni, van egy hurco megmunkálógép, yaskawa servó hajtással. Az egyik tengely hajtása fázis hibát jelez, de ha másik vezérlőt teszek rá akkor is. milyen másik motort tudnék rászerelni, illetve ha  ahjtás vezérlőt is cserélném, mit ajánlanátok helyette. a mostani vezérlő, SGDH 30 AE ez valoszínűleg jó, ehhez kellene illeszteni motort. Elöre is köszönöm

TBS-TEAM

Elöszőr a kábelt kell kimérni mert az szokott a sok mozgástól meghibásodni.
József

Bencze András

Hívj fel, tudok segíteni.. Adatlapomon megtalálod.

pfkgs0rj

Sziasztok.!
Segitséget szeretnék kérni, van pár db siemens ac szervo motorom, 2.4 kW-os, nem vezérelni akarom sima villanymotor ként szeretném használni, jobbra-balra tudjam forgatni. Erre van valamilyen költséghatékony megoldás? Elkerülhetetlen egy vezérlő vagy frekvenciaváltó használata?