Hírek:

Fontos tudnivalók a migrációval kapcsolatban, Kérlek nézd meg a Régi fórumról új fórumra való költözés

Kedves Kollégák!

2026.04.18-án szombaton ismét megrendezésre kerül a debreceni Hobby CNC találkozó.
Egy kis nosztalgia, múltidézés, tudás megosztás, és minden ami szokásos volt eddig is a találkozókon.
A változatlanul a korábbi találkozók helyszíne lesz ismét az otthona a rendezvénynek.
Debreceni Képző Központ Nonprofit Kft.
Debrecen Budai Ézsaiás 8/A
 

Main Menu

Alkatrészek beszerzése és szolgáltatások igénybevétele

Indította gaben, 2024 április 09, 16:47

Előző téma - Következő téma

b4nm7gjvr

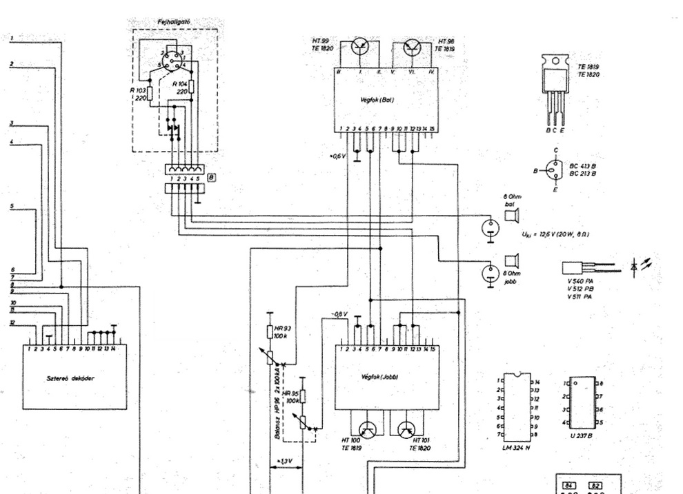
5 pólusú dominó tuchel dugó a magyar neve, és már egész extra fém kivitelben is kapni a TME -n:


b4nm7gjvr


sastas

Kapcsolási rajzom és bekötésem van, csak a dugó nevét nem tudtam. Ha jól értelmezem A kapcsolási rajzomon úgy van jelölve, hogy 2-4 az egyik csatorna, 3-5 a másik, és a középső a föld.

  

PSoft


dezsoe

Igen, mert ha egyik irányba dugod be, akkor némítja a hangfalakat, ha a másik irányba, akkor nem. (Van a hengeres paláston egy kivágás, az alatt van a kapcsoló az egyik irányban.)

remrendes

Van egy alighasznalt FA-15-os furom. Epp a napokban gondolkodtam, hogy be kellene majd fogni, csak kellene ra egy gyorstokmany. Sajnos nem talalok semmi informaciot, hogy az adok-kapokban most hirdetett B16-os tokmany jo lehet ra.  [#t19p59641#]
Esetleg valakinek van rola infoja?

Kelepeisz Lajos

Sziasztok!
Nem tudjátok létezik olyan pici  figyelő áramkört az eBay-n amivel 6V 2-3Ah zselés akkut lehet tölteni?

svejk

Ehhez mindössze egy kb. 7V-os stabilizátorra van mindössze szükséged.
A zselések tulajdonsága hogy ha le vannak merülve akkor "No Limit" az áramhatár.
A lényeg, hogy a feszültség korlátozva legyen az intenzív gézfejlődés előtt.

c4f8t0aaa

Sziasztok! Egy kis segítséget kérnék egy Index GB 65-ös rúdautomatához keresek angol nyelvű programozási útmutatót, vagy olyan személyt aki még dolgozott ezen a típuson és tudna segíteni a programozásában.

Arany János

Sziasztok!
Keresnék valakit aki elvállalná ennek az öntését:



Anyaga: alu.
Egyenlőre csak az ár lenne fontos!

Arany János


kzyxdsk2y

Keresek vállalkozót a következő feladatra (nem kell szla):
20x5mm réz sín 55mm hosszra levágni, egyik végébe d=8.5mm furat, a szélétől 10mm-re, a másik végébe bevágás kellene.
És ez a lényeg, amit nem tudok megcsinálni idehaza.
A bevágás az 5mm oldalban kellene középen: 1.6mm +0.1 -0.0, teljes szélességben (20mm) és a hossza 25-26mm.
Ez az alkatrész párosával kellene, egyenlőre 2-3 pár.
Pillanatnyilag tudok anyagot adni (1m E-Cu rézsín).
Hatvan-Budapest között járok minden nap, jó lenne ha útba esne valaki. Köszönöm!

  

sastas

Sziasztok!

Debrecenben keresek olyasvalakit, aki alkalomszerűen esztergályos/marós munkát tudna vállalni. Édesapám néhány alkalomszerű alkatrészét kellene elkészíteni, akihez elmenve, az igényt helyben elmagyarázva, megcsinálja a szükséges dolgokat anyagbeszerzéssel mindennel. Nem gépműhelyet keresnék hanem inkább magánembert, aki rövid határidőre akár azonnal meg tudja csinálni. Ahogy édesapám fogalmazott, fusizót keres.

kijy8hc3f

Tisztelt Fórum.

Tanácsot esetleg tippet kérnék a következő probléma megoldására.
93 mm széles, 1980mm hosszú, 4 mm vastag HArdox lemez, lézerrel 9 mm es lyukak vannak belevágva  a lyukak egymástol 5 mm re vannak a két szélen 7 mm a távolság. Ezt kellene hengeriteni nagyon pontosan 605 mm belső átmérőre.
Mészáros Jenő 06209758051 Budapest, de bárhova elmegyek vagy elküldöm.

ywathzay

Már ne haragudj a kiigazításért, de a "fusi" meló szót  akkor használják, ha pl. a gépműhelyben dolgozó illető a céges munkaidőben, a cég anyagából elkészíti a magán, vagy egyéb (vállalt) jellegű munkákat, és így amellett hogy fizetést kap érte, a céget is megkárosítja, és még valamennyi anyagi hasznot is szerez belőle. Természetesen ez a legolcsóbb fajta munka a megrendelőnek.