Hírek:

Fontos tudnivalók a migrációval kapcsolatban, kérlek olvasd el:

A régi fórumról áthozott hozzászólásoknál a felhasználó neve adatvédelmi megfontolásokból véletlenszerűen generált értékekre lett  lecserélve. Ez akkor tud a valódi értékre visszaállni, ha az adott felhasználó a régi fórumon nyilatkozik, hogy beleegyezik az adatainak az új fórumra továbbításához, majd ezután itt a régi felhasználónevével és email címével regisztrál.
8~20 óra között, 1~30 percen belül megtörténik a jóváhagyás, 30 percenként ellenőrizd email fiókodat (SPAM-ot is) mindenképp kapsz mail-t, a sikeres regisztrácioról, vagy a hibáról és, hogy mi a teendőd.
Nézd meg  "A régi fórumról, az új fórumra költözés útmutatót."
A régi fórumon használt email címmel de más felhasználói azonosítóval érkező regisztrációs kérelmek törlésre kerűlnek.

Main Menu

UCCNC vezérlő program

Indította gaben, 2024 április 09, 16:54

Előző téma - Következő téma

Fli4l

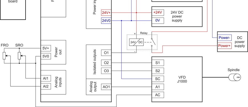
Na és még egy kérdés, hogy az analóg ki és bemeneteket, mihez kell hozzárendelni mert a főorsó 0-10V-os kiemenetét akarom beállítani, de a elírásban nem látom egyenlőre, hogy hol is kéne azt. Ott már nincs port hozzárendelve.

Fli4l

Szóval erre gondolok csak az előbb nem csatoltam a képet.
Nem gondolom, hogy bemenetről érkező hiba mértem a bemeneteket de nem nagyon mértem rajta.

  

zt2c4wh9

Nem, senki nem tapasztalt ilyen hibát, mivel nincsen ilyen hiba. :)

A probléma oka a zajos CNC vezérlőd. Ha van nagyfrekvenciás motorod akkor valószínűleg az okozza.

Az AXBB-E vezérlőben nagysebességű optocsatolók vannak, amik az apró tüskeszerű jeleket is képesek átvinni, azért, hogy például encodereket is tudjon olvasni és gyorsan reagálni bizonyos jelekre, ahol fontos lehet a gyorsaság, például THC jeleknél..

Ha előtte UC400ETH-t használtál valamilyen olcsó kínai elosztókártyával, akkor annál azért nem jelentkezett a probléma, mert abban olcsó lassú optocsatolók vannak, amik a rövid/gyors jeleket nem képesek átvinni.

3 dolgot lehet csinálni a probléma megakadályozására:

1.) Megszüntetni a zajt. Ezt általában nehéz megoldani, de érdemes csillagpontos földelést alkalmazni, illetve lehet vonalfiltert helyezni a frekvenciaváltó tápbemenetére.

2.) Szűrni a szenzorok, kapcsolók jeleit a bemenet előtt.
Ez igényel plusz alkatrészt, néhány ellenállást + kondenzátort.

3.) Bekapcsolni az UCCNC-ben a debounce filtert ami egy digitális aluláteresztő szűrő és igény szerint lehet vele szűrni a gyors jeleket, hogy a beállított milliszekundum időnél gyorsabb jeleket ne vegye figyelembe a vezérlő.
Ez tulajdonképpen ugyanaz mint a 2. pont csak szoftveres a szűrő, nem hardveres.

zt2c4wh9

Állítsd be a konfigurációban a spindle oldalon a spindle speed, vagyis a főorsó sebességtartományát és a kimeneti PWM min. és max. kitöltési tényezőjét. Ez utóbbi fogja adni az analog kimeneti feszültség min. és max. értékeit. 0-100% esetén 0-10Volt feszültségtartományt.
A min. és max. feszültségtartományt a vezérlő hozzáskálázza a beállított min. és max. főorsó sebességekhez.
Vagyis min S értékre a minimum PWM kitöltésnek megfelelő analog feszültséget fogja kiadni és a max. S értékre pedig a maximum PWM értéknek megfelelő analog feszültséget.

És az I/O setup oldalon válaszd ki az 1. analog kimeneti csatornát a "Spindle PWM -> analog ch." beállításnál.
Ezzel hozzárendeled a főorsó sebesség jelhez az AXBB-E analog kimenetét.

Fli4l

Nah ez jó hír, hogy nálam van valami és nem a cuccal. Az előző jel elosztó az HDBB2 volt sosem használtam kínait ha csak ez nem az. Miden ilyen cuccot tőletek vettem kivéve az új ac szervot és frenkvenciaváltót és főorsót. Minden kábel árnyékolt gyárilag kivéve a jelkábel amiken a 24V-os jelek jönnek a végállástól és e-stop-tól. Ennyi kb még belül is árnyékolt kábellel vittem a ki tápkat a szervókra és főorsóra. Az analóg be/ki meneteket hol tudom beállítani? A minta bekötéseknél nem tesz a manual utalást arra, hogy mi hol lehet ezt kiválasztani. Csak, hogy lehet.

Fli4l

Most látom, hogy közben nem frissítettem és válaszoltál. Köszi.

zt2c4wh9

A HDBB2-n is viszonylag lassú optók vannak. Amikor azt terveztük (~10 éve) akkor még nem voltak ilyen nagy igények mint manapság, hogy szinkron meneteket is akarnak fúrkálni az emberek, amikhez a gyors jeleket is át kell tudnia vinni a bemenetnek. :)

Fli4l

Átállítottam az imput debounce érékét 100-ra tehát 100ms 0,1s így nem jött még hibás jel. Viszont egy dolgot nem értek a kimenet részen O1-O8-ig a leírás azt írja, hogy "Port#1 pins 2. to 8. are isolated outputs." mi van ez 1-es lábbal akkor az csak sima? Van egy minta példa ami alapján én kötöm be a dolgokat. És port1. 2-es lábára kötöttem a VFD start jelét a példa szerint. De a leválasztott kimenetek NPN ,de a rajz szerint a GND-t kell közösíteni a VFD GND-vel és az O2-es kimenetet bekötni a VFD stratra ami elvileg 24V-ot küld szépen, meg is csináltam csak így nem jó mivel nem tudtam, hogy NPN a leválasztott kimenet.

dezsoe

Az 1-es láb is leválasztott, mint a 2-8-as. Annyiban más, hogy nem sima kimenet, hanem egy charge pump áramkör van előtte, tehát az I/O setup oldalon beállítod charge pump kimenetnek, akkor ezzel a lábbal engedélyezheted az egész gépet.

dezsoe

A második kérdésben elvesztettem a fonalat. :) Milyen frekiváltód van? (Típus, esetleg rögtön egy link a kézikönyvhöz.)

Fli4l

Egyszerű itt a példa ami szerint bekötöttem de nem jó.
A VFD-m danfoss az normál 12-es láb 24V 18-as láb Start bemenet 20-as láb GND már ha kell. Normál esetben nem. Bekötöttem a VFD-re az ajánlás alapján a vezérlő kimenetét O2 18.-as lábra mert 24V-ot feltételezünk és GND-t a 20-as lábra. Elméletben így működne, ha nem NPN kimenetű lenne a mozgásvezérlő. Viszont ezt a pwm-es kimenetet nem értem, hogy lesz nekem ebből 10V- ha kell és hogy lesz 5V ha úgy adom meg a fordulatot, hogy 18000 akkor 10V és ha csak 12000-el kell marnom akkor ezt automatikusan hozzáredelni? azt mondom, hogy kell nekem pl.: 6000-18000-es tarományban mire állítsam a spindle menüben?

    

dezsoe

Ha a 24V-ra kell a bemenetet kötni, hogy elinduljon, akkor az nem fog menni az NPN kimenettel, legfeljebb, ha megrelézed. (A kimenettel egy relét hajtasz, ami kapcsolja az indító lábat a 24V-ra.)

0%->0V-tól 100%->10V-ig változhat az analóg kimenet. A megadott min/max fordulatszámra fogja a megadott min/max PWM kitöltést beállítani, folytonosan. Például: fordulat min/max: 2000/24000, PWM min/max: 10%/100%, akkor 0-2000-ig bármit állítasz S-sel, 2000-et fog beállítani, hiszen ez a minimum fordulatszám, ehhez pedig 10%-os kitöltést állít be, azaz 1V-ot. Ahogy mész felfelé a fordulatszámmal, úgy növeli a kitöltést (és a kimenő feszültséget), egészen S24000-ig. (Írhatsz nagyobb értéket, de mivel ez van beállítva maximális fordulatszámnak, ezért nem fog feljebb menni.) Amikor elérted a 24000-et, akkor fog 100%-os kitöltéssel működni, azaz kiadja a 10V-ot az analóg kimenetre. A 2000-24000 tartományt fogja a 10-100%-ra rávetíteni.

Fli4l

A VFD eddig is relézve volt ezután is így lesz, csak gondoltam, kihagyom ha úgy is leválasztott. A fordulatot beállítottam a kitöltési tényezőnek megfelőlen 33-100% 6000-18000 nagyjából ok 5Hz hiányzik mert az analóg kimenet nem ad ki teljesen 10V-ot kb ~9,82V max, ha a VFD-nél meg tudom adni, hogy ez legyen a 300Hz akkor ok. Max kicsit emelek a frekvencián akkor. Most nagyjából olyan mint a régi volt de még nem csináltam próba marást. Egyébként van zavarszűrő a betápon igaz nem a VFD előtt de mindenek előtt van. Nem tudom mi gerjeszti a zavart lehet a VFD.

gaben

Szia,

ha a frekiváltód ugyanabban az elosztóban van, mint az összes többi cucc, akkor az is okozhat különböző zavaró jeleket. Megoldás, hogy külön-külön elosztóban legyenek a gyenge és erősáramú berendezések.
Illetve az árnyékolt kábeleknek csak az egyik oldalát szabad földelni.

Fli4l

Köszi a tanácsot ebből az árnyékolás kivitelezhető jelenleg a külön elhelyezés az sajnos egyenlőre nem.